
Anunț prin email când acest produs devine disponibil
Produs disponibil pentru precomandă
- Descriere
- Instrucțiuni
- Modalități de plată
- Garanție
Analizor de rețea trifazat / Analizor de rețea / Analizor de rețea - panou de măsură digital multifuncțional, indicator de curent, tensiune, frecvență și putere totală, cu ieșire releu, RS485 ModBus RTU - TPM-04SHDL producător TENSE (Turcia) panouri de măsură.
Analizoarele de putere sunt concepute pentru măsurarea și monitorizarea valorilor electrice. Datorită funcției de comunicare, valorile energetice măsurate pot fi monitorizate și raportate independent. Cu ajutorul analizoarelor de putere se pot efectua analize precum calitatea energiei, eficiența și calculul costurilor unitare.
Principalele avantaje:
- RS485 Modbus RTU (1200-19200b/s)
- Transformator de tensiune trifazat și transformator de curent trifazat.
-
Afișează componentele armonice ale tensiunii și curentului până la a 31-a armonică.
-
Afișează puterea activă pe fază (P)
-
Afișează puterea reactivă pe fază (Q, inductivă și capacitivă)
-
Afișează puterea aparentă pe fază (S)
-
Afișează valorile Cosφ și ale factorului de putere ale fiecărei faze.
-
Afișează valorile tensiunii (V) și curentului (I) între faze și fazele neutre și măsoară frecvența.
-
Afișează valorile totale ale importului și exportului de energie activă (ΣkWh)
-
Afișează valorile totale ale energiei reactive inductive și capacitive (ΣkVArh).
-
Afișează valorile minime și maxime, cererea maximă
-
2 ieșiri releu, 1 intrare digitală
-
Jurnale de evenimente (tensiune/curent ridicat/ scăzut, asimetrie tensiune/curent, THD-I)
-
Meniul este protejat prin parolă.
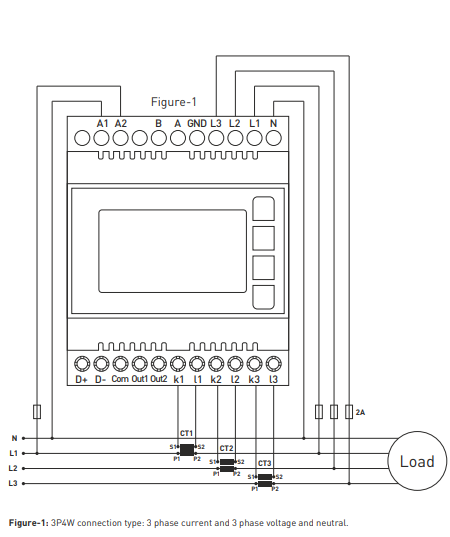
De obicei, acest analizor de rețea este utilizat cu transformatoare de măsurare a curentului - 60/5 75/5 100/5 150/5 200/5 250/5 300/5 400/5 500/5 600/5 800/5 1000/5 1500/5 sau similare. Dacă aveți de gând să conectați analizorul la ModBus, vă vom trimite la cerere un "tabel de înregistrare" cu adresele ModBus.
Plata Online cu Cardul - după finalizarea comenzii, veți fi redirecționat către poarta de plată, iar confirmarea plății vă va fi trimisă prin email.
Ramburs - plata conform instrucțiunilor de plată se va face către șoferul companiei de transport.
Prin Transfer Bancar - veți primi pe email, cel târziu în următoarea zi lucrătoare, o factură proforma care va conține numărul de cont ce trebuie utilizat la plată.
Pe Factură - această modalitate de plată este disponibilă partenerilor care au încheiat un contract-cadru cu compania noastră. Dacă doriți să utilizați ultimele două metode de plată, vă rugăm să contactați managerul nostru, care vă va oferi instrucțiuni despre cum să obțineți o factură cu TVA sau fără TVA.
Echipamentele electrice furnizate de noi îndeplinesc standarde înalte de calitate, au o garanție de 24 de luni și respectă toate cerințele UE.
De asemenea, oferim livrare gratuită pentru comenzi mai mari de 508 RON, și un sistem flexibil de reduceri și promoții. Cunoștințele tehnice și experiența angajaților noștri ne permit să oferim consultanță de înaltă calitate și, dacă este necesar, să oferim alternative pentru produsele electrotehnice.
Echipamentele electrice pe care le furnizăm respectă standarde înalte de calitate, au o garanție de 24 de luni și îndeplinesc toate cerințele Uniunii Europene.
În cazul unei reclamații, returnarea produselor nu se taxează.
