
Anunț prin email când acest produs devine disponibil
- Descriere
- Instrucțiuni
- Modalități de plată
- Garanție
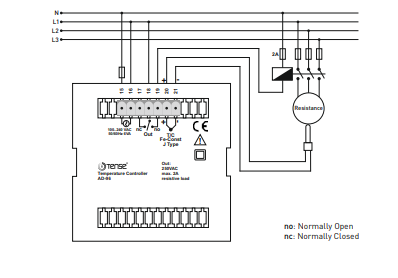
Termostat / controler de temperatură în 2 puncte TENSE
Descrierea produsului:
Regulatorul de temperatură este proiectat pentru controlul ON/OFF (pornit/oprit) sau proporțional al proceselor de temperatură. Potrivit pentru încălzire, aer condiționat, sisteme de ventilație, automatizarea clădirilor și instalații industriale.
Funcții și caracteristici:
-
Mod de control ON/OFF (două puncte) sau proporțional.
-
Tip senzor: T/C (tip J, Fe-Const)
-
Ieșiri releu: OUT (NO + NC), 250VAC, 2A
-
Histerezis reglabil
-
Memorie EEPROM pentru stocarea setărilor
-
Afișaj clar cu setarea temperaturii dorite
Interval de măsurare și precizie:
-
Domeniul de măsurare: 0 °C ... +400 °C
-
Rezoluție/pas: 1 °C
Accesorii recomandate:
-
Senzori de temperatură tip J Fe-Const (6/8 metri), interval -100 °C ... +600 °C
-
Disponibil cu cablu: 1 m, 1,5 m, 2 m, 2,5 m, 3 m, 4 m sau 5 m
Aplicație:
-
Controlul temperaturii pentru încălzire, aer condiționat și ventilație
-
Linii și mașini industriale unde este necesar un control precis al temperaturii
-
Monitorizarea și protecția echipamentelor
Beneficii:
-
Produs Turkish TENSE fiabil
-
Conectare și configurare ușoară
-
Memorie pentru păstrarea setărilor chiar și după o pană de curent
Plata Online cu Cardul - după finalizarea comenzii, veți fi redirecționat către poarta de plată, iar confirmarea plății vă va fi trimisă prin email.
Ramburs - plata conform instrucțiunilor de plată se va face către șoferul companiei de transport.
Prin Transfer Bancar - veți primi pe email, cel târziu în următoarea zi lucrătoare, o factură proforma care va conține numărul de cont ce trebuie utilizat la plată.
Pe Factură - această modalitate de plată este disponibilă partenerilor care au încheiat un contract-cadru cu compania noastră. Dacă doriți să utilizați ultimele două metode de plată, vă rugăm să contactați managerul nostru, care vă va oferi instrucțiuni despre cum să obțineți o factură cu TVA sau fără TVA.
Echipamentele electrice furnizate de noi îndeplinesc standarde înalte de calitate, au o garanție de 24 de luni și respectă toate cerințele UE.
De asemenea, oferim livrare gratuită pentru comenzi mai mari de 508 RON, și un sistem flexibil de reduceri și promoții. Cunoștințele tehnice și experiența angajaților noștri ne permit să oferim consultanță de înaltă calitate și, dacă este necesar, să oferim alternative pentru produsele electrotehnice.
Echipamentele electrice pe care le furnizăm respectă standarde înalte de calitate, au o garanție de 24 de luni și îndeplinesc toate cerințele Uniunii Europene.
În cazul unei reclamații, returnarea produselor nu se taxează.
