
Anunț prin email când acest produs devine disponibil
- Descriere
- Instrucțiuni
- Modalități de plată
- Garanție
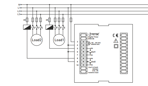
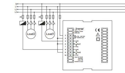
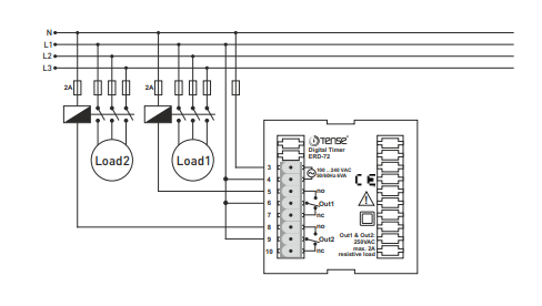
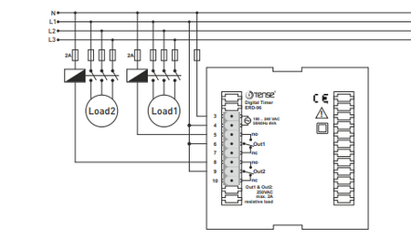
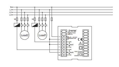
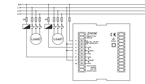
Relee temporizate ERD-96 ERD-48, ERD-72 - TENSE
Temporizator cu întârziere / releu de impulsuri ciclice / generator de impulsuri simetrice și asimetrice
Releul temporizator ERD-96 ERD-48, ERD-72 este proiectat pentru a crea o întârziere sau pentru a genera impulsuri ciclice pentru a controla diverse procese în sistemele de automatizare și control (ACS).
Este potrivit în special pentru utilizarea în:
-
sisteme AC,
-
controlul piscinelor și al tehnologiei,
-
sisteme de urgență și de securitate,
-
automatizarea generală și controlul secvențial al instalațiilor.
Caracteristici principale
-
Două funcții de bază
-
Temporizator cu întârziere
-
Releu ciclic (generator de impulsuri - impulsuri simetrice/asimetrice)
-
-
Interval larg de timp:
0,1 s până la 999 minute -
Indicarea numărătorii inverse a timpului - afișare digitală a timpului rămas (timp de răcire)
-
Conectare simplă prin intermediul blocului terminal
-
Potrivit pentru utilizare universală în rețele de curent alternativ 100...240 V
Specificații tehnice
Parametrii mecanici și de afișare
-
Afișaj: afișaj LED cu 3 cifre și 7 segmente
Funcții
-
Ieșire imediată după pornire (Out2)
-
Ieșire întârziată după pornire (Out1)
Intrări
-
Intrare START: contactele 11-12
-
100...240 V CA, 50/60 Hz
-
Consum max. 3 mA
Temporizare
-
-
Gamă:
-
99,9 s
-
999 s
-
99,9 min
-
999 min
(opțional)
-
-
Rezoluție:
-
0,1 s / 1 s / 0,1 min / 1 min
-
-
Precizie: ±1,5% din valoarea setată
Ieșiri
-
Out1 - Ieșire întârziată:
-
Releu NO-O-NC
-
250 V CA, 2 A (sarcină rezistivă)
-
-
Ieșire2 - Ieșire imediată:
-
Releu NO-O
-
250 V CA, 2 A (sarcină rezistivă)
-
Alimentare
-
Tensiune de alimentare: 100...240 V CA, 50/60 Hz
-
Consum de energie: < 5 VA
Condiții de mediu
-
Temperatura de funcționare: -20 °C până la +55 °C
-
Altitudine de funcționare: până la 2000 m
Descărcare pe
Plata Online cu Cardul - după finalizarea comenzii, veți fi redirecționat către poarta de plată, iar confirmarea plății vă va fi trimisă prin email.
Ramburs - plata conform instrucțiunilor de plată se va face către șoferul companiei de transport.
Prin Transfer Bancar - veți primi pe email, cel târziu în următoarea zi lucrătoare, o factură proforma care va conține numărul de cont ce trebuie utilizat la plată.
Pe Factură - această modalitate de plată este disponibilă partenerilor care au încheiat un contract-cadru cu compania noastră. Dacă doriți să utilizați ultimele două metode de plată, vă rugăm să contactați managerul nostru, care vă va oferi instrucțiuni despre cum să obțineți o factură cu TVA sau fără TVA.
Echipamentele electrice furnizate de noi îndeplinesc standarde înalte de calitate, au o garanție de 24 de luni și respectă toate cerințele UE.
De asemenea, oferim livrare gratuită pentru comenzi mai mari de 508 RON, și un sistem flexibil de reduceri și promoții. Cunoștințele tehnice și experiența angajaților noștri ne permit să oferim consultanță de înaltă calitate și, dacă este necesar, să oferim alternative pentru produsele electrotehnice.
Echipamentele electrice pe care le furnizăm respectă standarde înalte de calitate, au o garanție de 24 de luni și îndeplinesc toate cerințele Uniunii Europene.
În cazul unei reclamații, returnarea produselor nu se taxează.
