Notified by email when this product becomes available
Pre-order product
- Description
- Instructions
- Payment methods
- Warranty
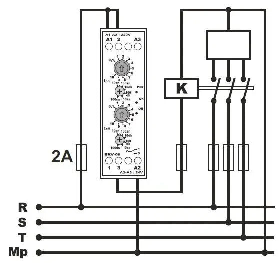
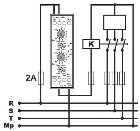
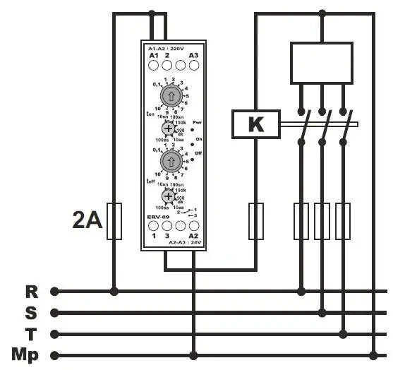
Time relay - intermittent at the beginning of the pulse, intermittent at the beginning of the pause cyclic relay - symmetric / asymmetric cycle
A cyclic relay or a cyclic timer is used to periodically start electrical loads (such as lights, fans, etc.) or to energize control signals in automated monitoring or control systems (such as turning on an emergency flashing light or an audible signal). This cyclic timer can be useful for organizing automatic ventilation processes, opening and closing windows, periodically starting heating or ventilation, for lighting or rotating advertising panels.
If you configure the relay so that the start and pause times are symmetric, it can be used, for example, to gradually start certain electrical devices in case of current/power limitation (heaters, heat generators). The presence of a switching output contact makes it possible to start the cycle in a pulsed or paused manner.
The time relay is mounted on a standard 35 mm DIN rail
Online Payment by Card - after completing the order, you will be redirected to the payment gateway, and payment confirmation will be sent to you by email.
Refund - payment according to payment instructions will be made to the transport company driver.
By Bank Transfer - you will receive by email, no later than the next business day, a proforma invoice that will contain the account number to be used for payment.
On Invoice - this payment method is available to partners who have concluded a framework agreement with our company. If you want to use the last two payment methods, please contact our manager, who will provide you with instructions on how to obtain an invoice with or without VAT.
The electrical equipment we supply meets high quality standards, has a 24-month warranty and complies with all EU requirements.
We also offer free delivery for orders over 508 RON, and a flexible system of discounts and promotions. The technical knowledge and experience of our employees allow us to provide high-quality consulting and, if necessary, to offer alternatives for electrotechnical products.
The electrical equipment we provide meets high quality standards, has a 24-month warranty, and complies with all European Union requirements.
In the case of a complaint, the return of products is not charged.
