Notified by email when this product becomes available
Pre-order product
- Description
- Instructions
- Payment methods
- Warranty
Releu ceas panou ERD-48M - Cronometru digital universal pentru automatizarea industrială și casnică
Releul de ceas de panou ERD-48M este un temporizator digital multifuncțional proiectat pentru controlul ciclurilor de timp, procese industriale, mașini cu un singur scop și automatizare casnică. Acesta oferă 13 moduri diferite de funcționare, programare precisă și o gamă largă de opțiuni de control.
Dispozitivul permite setarea simplă a secvențelor de timp de la 0,1 secunde la 99,59 ore, utilizând butoanele de pe panoul frontal. Afișajul dual LED face ca afișarea valorilor să fie clară și lizibilă chiar și de la distanță.
Caracteristici principale:
-
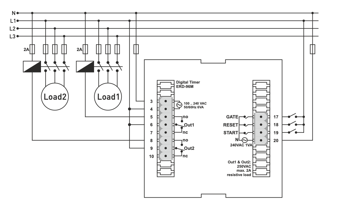
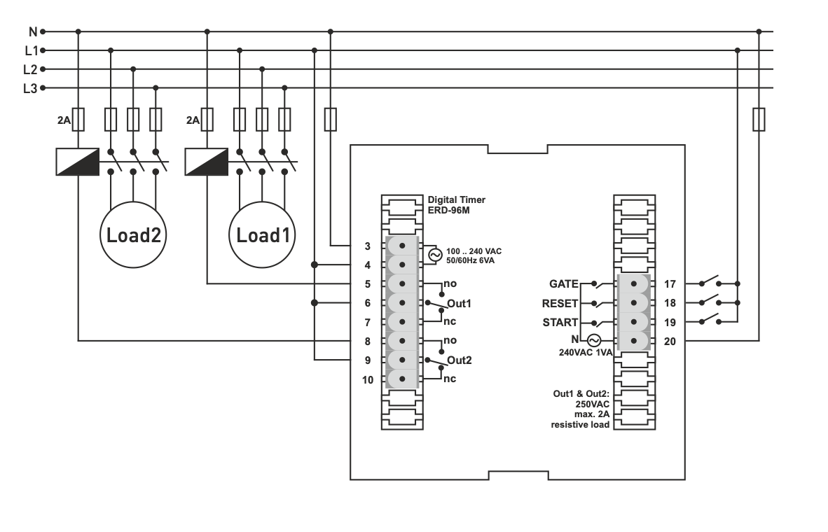
Cronometru digital multifuncțional cu intrări de control START / RESET / GATE
-
13 moduri programabile pentru o gamă largă de aplicații
-
Unități de timp: ore (99:59) / minute (99:59) / secunde (599,9 s)
-
Memoria ultimei stări - reține setările și starea ieșirii în timpul întreruperii alimentării
-
Afișaj cu două LED-uri:
-
Linia de sus (roșu): punctul de setare
-
linia inferioară (galbenă): timpul sau starea curentă măsurată
-
-
Indicarea închiderii releului OUT cu un LED roșu
-
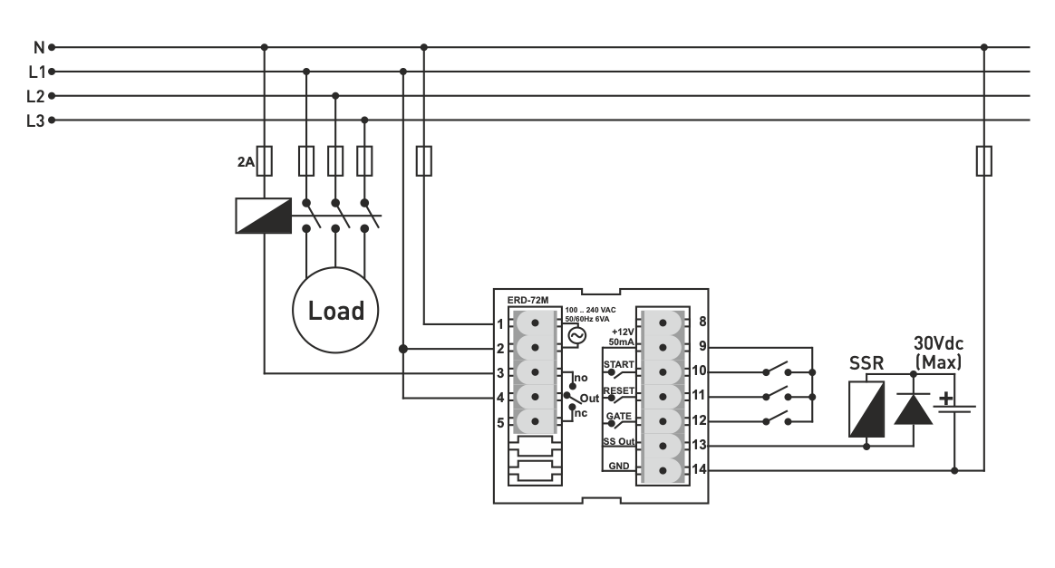
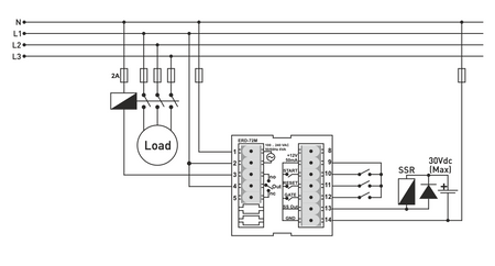
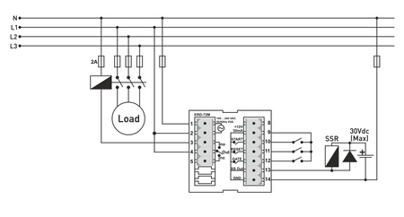
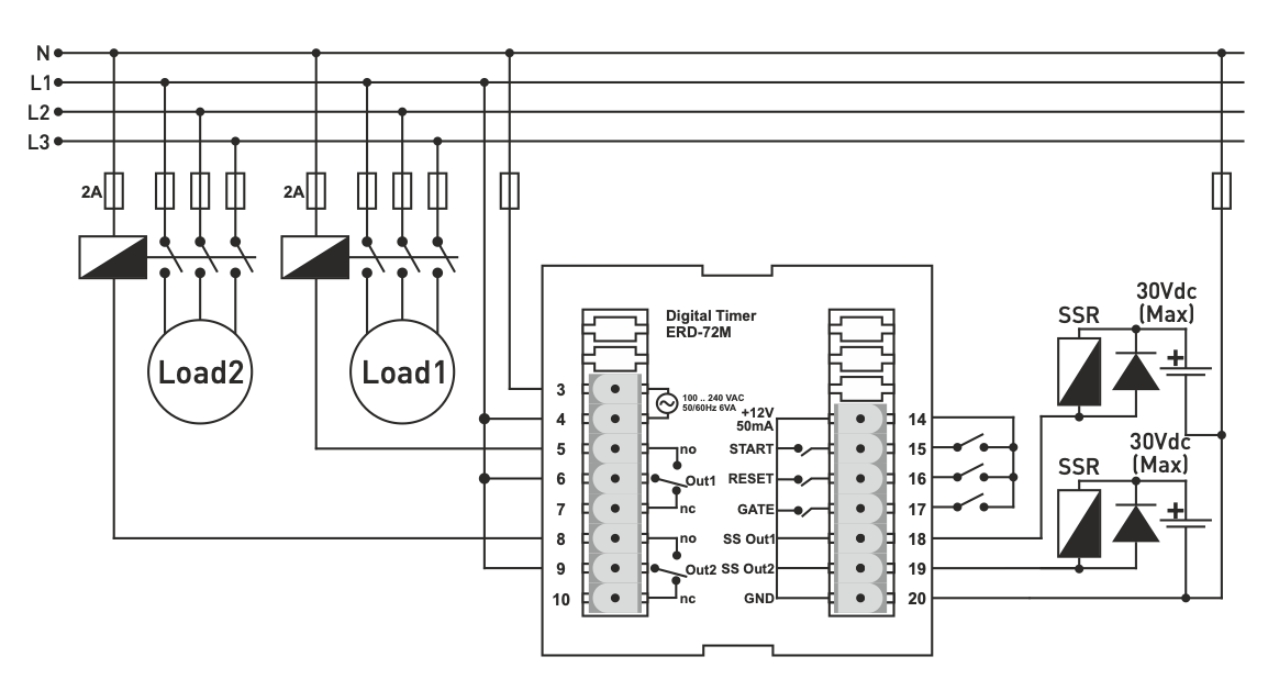
Sursă de alimentare încorporată pentru senzori: 12 V DC, max. 50 mA
-
Compatibil cu semnale de 24 VDC (PNP) sau ieșire personalizată de 12 V de la borna 9
-
Construcție robustă, montare pe panou 48×48 mm
Funcții și comenzi
Dispozitivul include 13 moduri de funcționare diferite care permit o flexibilitate deplină în control:
-
Temporizare ON
-
Temporizare OFF
-
pornire/oprire ciclică
-
temporizare o singură dată
-
control logic secvențial
-
releu de timp cu pauză (GATE)
-
alte moduri speciale de temporizare
(O listă de 13 moduri poate fi adăugată la cerere).
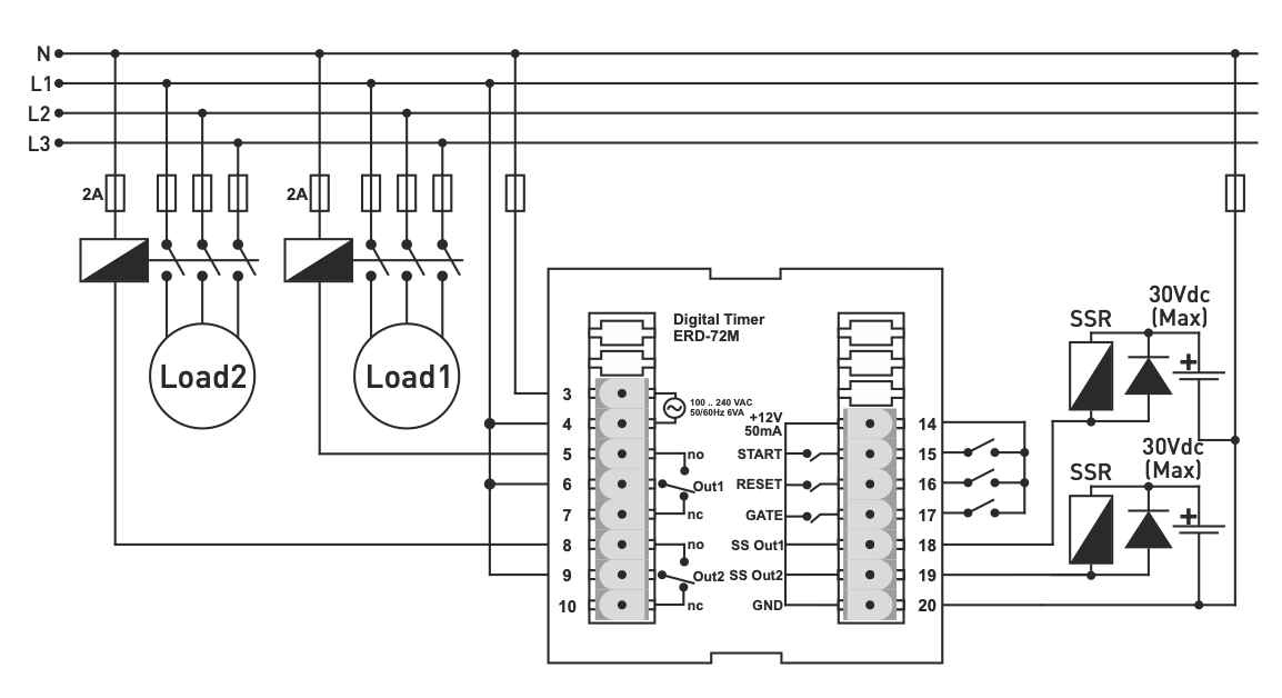
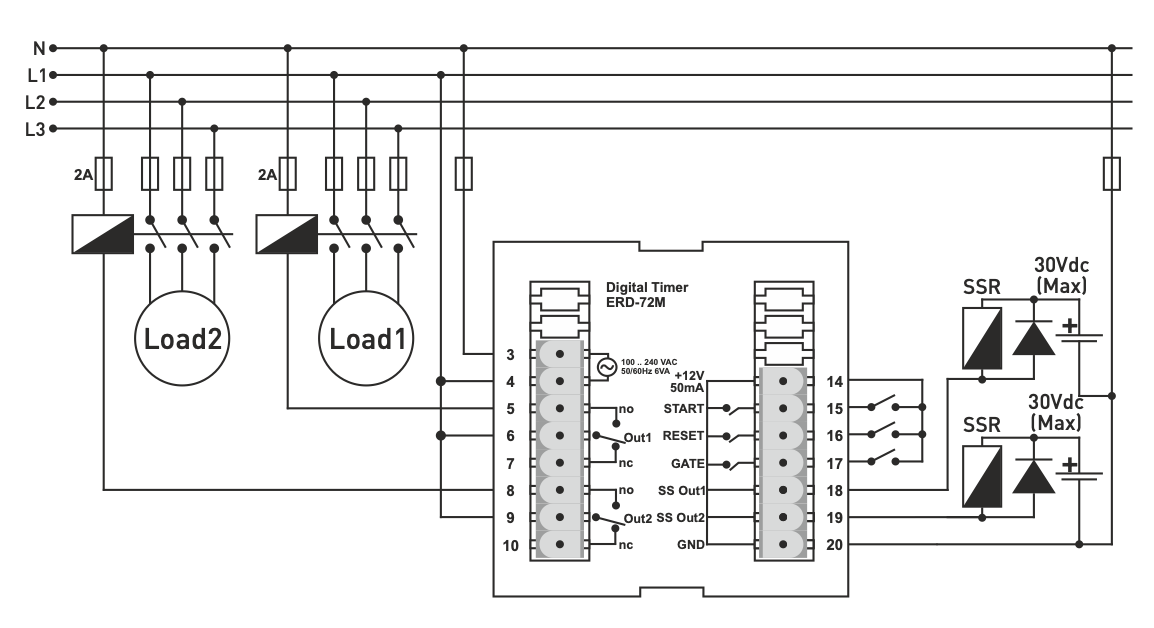
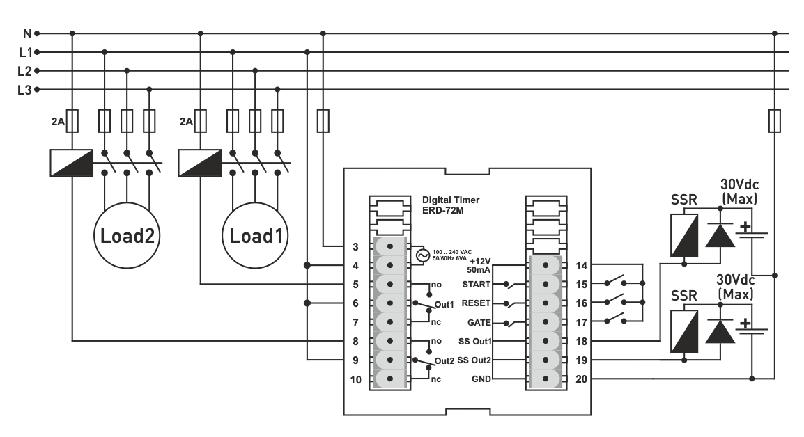
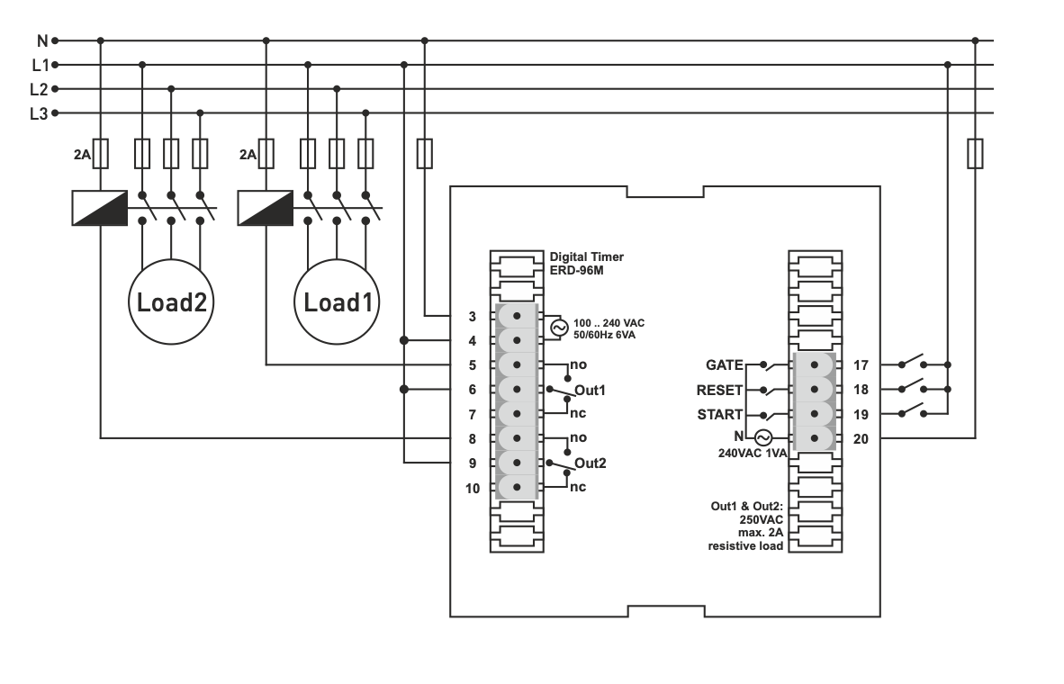
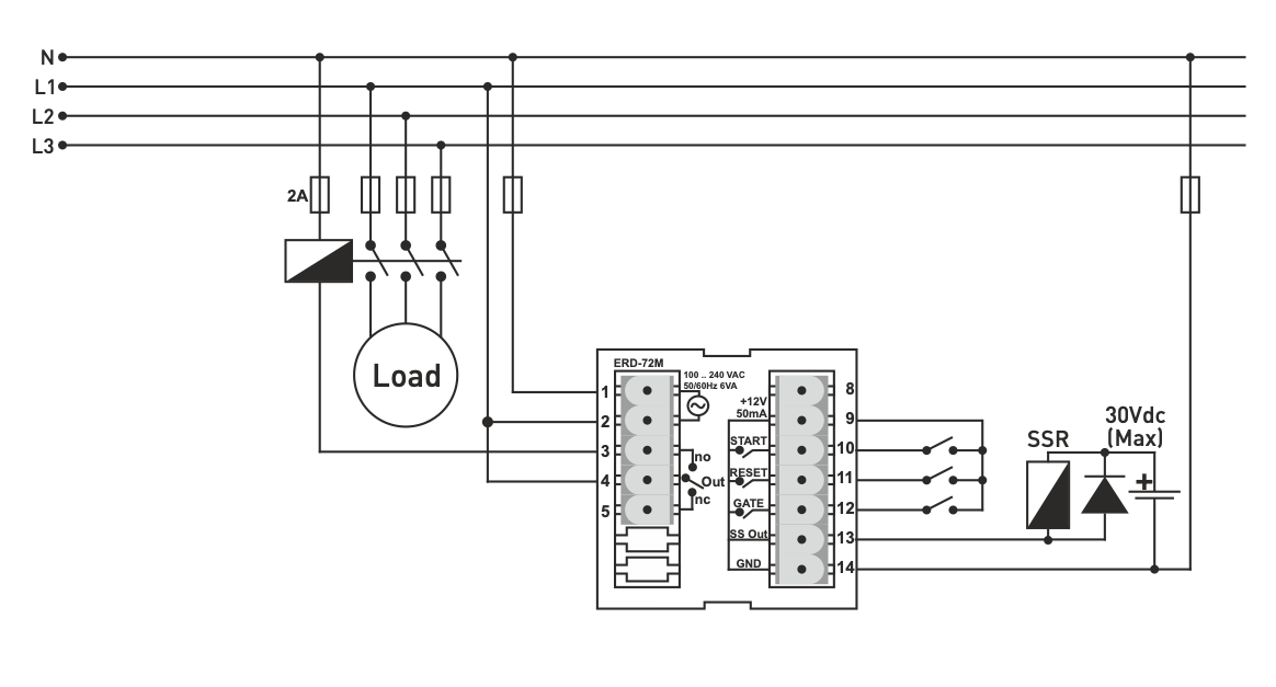
Intrări de comandă:
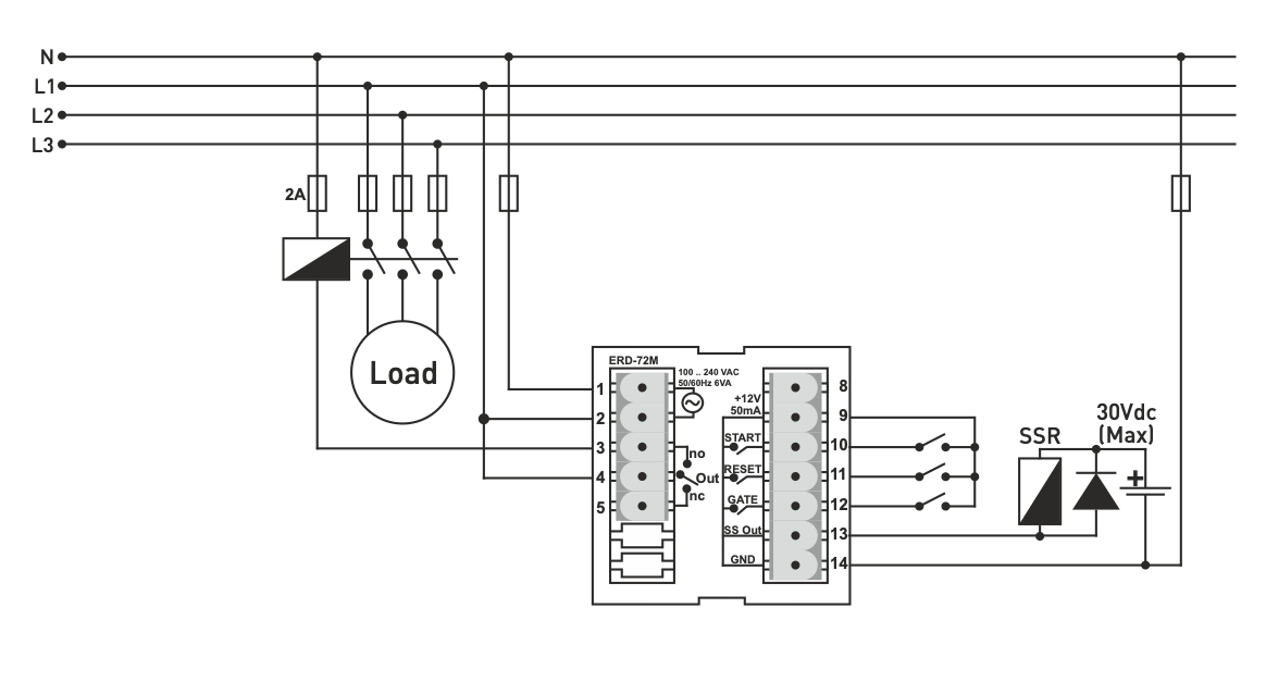
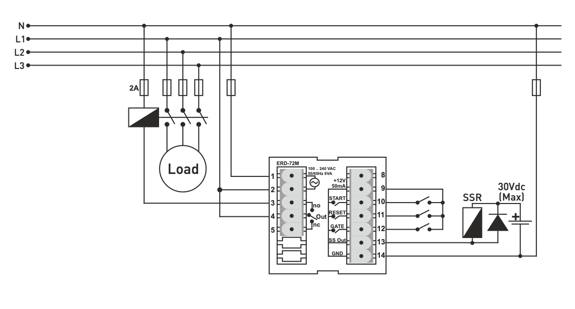
-
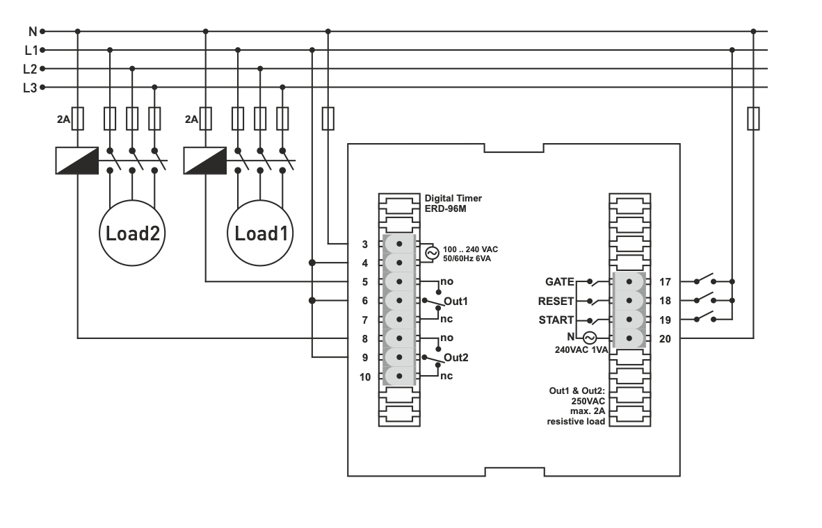
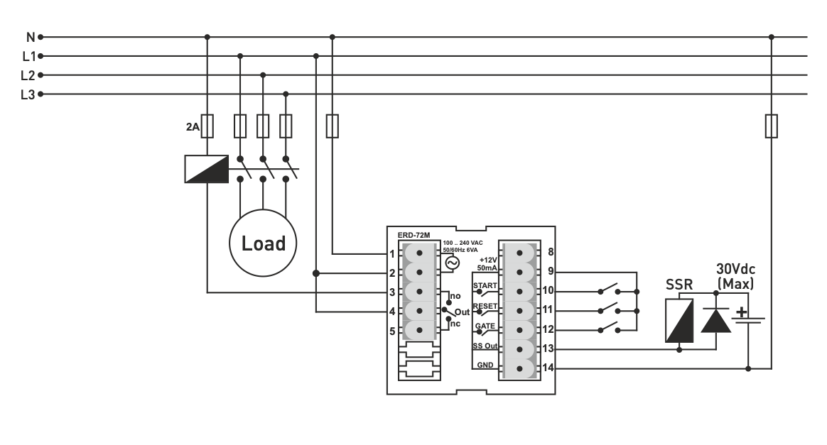
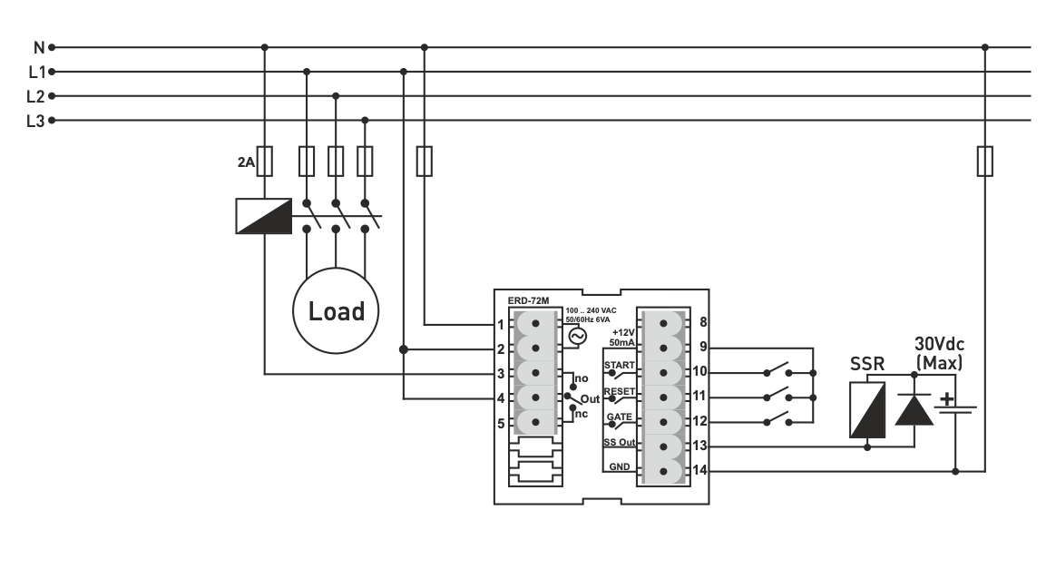
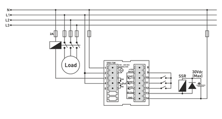
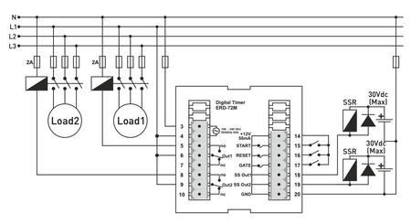
START (borna 10): pornește cronometrul.
-
RESET (terminalul 11): resetează timpul
-
GATE (terminalul 12): oprește numărătoarea inversă (PAUSE)
-
Terminalul 9: +12 V CC integrat pentru senzori/butoane de comandă (max. 50 mA)
Ieșiri
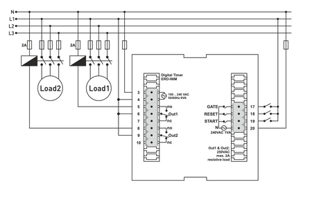
Ieșire releu OUT1 (bornele 4-3-5):
-
Tip: comutator SPDT (NO-COM-NC)
-
Sarcină: 250 V c.a. / 2 A, sarcină rezistivă
Ieșire SSR OUT2 (bornele 13 și 14):
-
Semnal de control pentru releul cu stare solidă
-
Nivel maxim de ieșire: 30 V DC
Specificații tehnice
-
Tensiune de alimentare: 100...240 V CA, 50/60 Hz
-
Consum de energie: < 8 VA
-
Interval de temporizare:
-
0,1 s până la 599,9 s
-
De la 0 la 99:59 min
-
De la 0 la 99:59 h
-
-
Intrări START/RESET/GATE: 7-32 V DC (ON), 0-2 V DC (OFF)
-
Afișaj: 2×4 cifre, LED cu 7 segmente (roșu + galben)
-
Temperatura de funcționare: de la -20 °C la +55 °C
-
Decupaj pentru montarea pe panou: 44 × 44 mm
-
Dimensiuni generale: 48 × 48 × 99 mm
-
Altitudine de funcționare: < 2000 m
-
Montare: montare pe panou, montare frontală
Descărcare pe
Online Payment by Card - after completing the order, you will be redirected to the payment gateway, and payment confirmation will be sent to you by email.
Refund - payment according to payment instructions will be made to the transport company driver.
By Bank Transfer - you will receive by email, no later than the next business day, a proforma invoice that will contain the account number to be used for payment.
On Invoice - this payment method is available to partners who have concluded a framework agreement with our company. If you want to use the last two payment methods, please contact our manager, who will provide you with instructions on how to obtain an invoice with or without VAT.
The electrical equipment we supply meets high quality standards, has a 24-month warranty and complies with all EU requirements.
We also offer free delivery for orders over 508 RON, and a flexible system of discounts and promotions. The technical knowledge and experience of our employees allow us to provide high-quality consulting and, if necessary, to offer alternatives for electrotechnical products.
The electrical equipment we provide meets high quality standards, has a 24-month warranty, and complies with all European Union requirements.
In the case of a complaint, the return of products is not charged.
