
Notified by email when this product becomes available
- Description
- Instructions
- Payment methods
- Warranty
Multimetru de panou trifazat TENSE - VAHz
Descriere
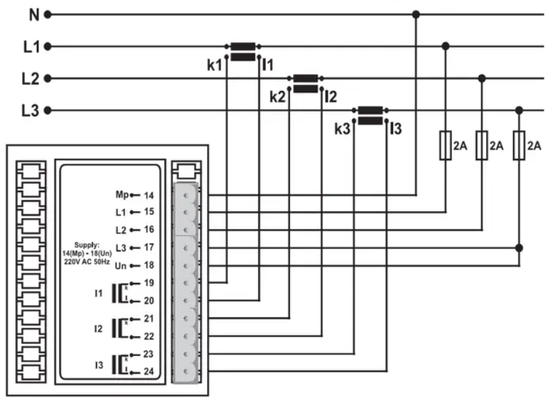
Multimetrul digital de panou trifazat TENSE este un contor multifuncțional pentru monitorizarea parametrilor electrici în sistemele trifazate. Instrumentul permite măsurarea tensiunii, curentului și frecvenței, verificarea conectării corecte a fazelor și este potrivit pentru echipamente industriale, mașini și sisteme de distribuție a energiei AC.
Principalele avantaje
-
Măsurare multifuncțională: I, U (L-L, L-N), Hz
-
Măsurarea indirectă a curentului prin intermediul transformatoarelor de curent conectate
-
Monitorizarea fazelor și verificarea cablajului
-
Transformator de măsurare inclus pe modelele EM-100D și EM-250D
-
Montare pe șină DIN standard
Domenii de măsurare
| Parametrii | Modele EM-06 / EM-72 | EM-100D | EM-250D |
|---|---|---|---|
| Curent | 5/5 ... 9995/5 A (indirect) | 1 - 100 A | 2 - 250 A |
| Tensiune L-N | 1 - 300 V AC | 1 - 300 V C.A. | 1 - 300 V C.A. |
| Tensiune L-L | 1 - 500 V C.A. | 1 - 500 V C.A. | 1 - 500 V CA |
| Frecvență | 40 - 60 Hz | 40 - 60 Hz | 40 - 60 Hz |
Recomandări
-
Pentru modelele EM-06 și EM-72, recomandăm următoarele transformatoare de curent:
60/5, 75/5, 100/5, 150/5, 200/5, 250/5, 300/5, 400/5, 500/5, 600/5, 800/5, 1000/5, 1500/5 -
Transformatoarele pot fi achiziționate direct din e-shop-ul nostru.
Descărcare pe
Online Payment by Card - after completing the order, you will be redirected to the payment gateway, and payment confirmation will be sent to you by email.
Refund - payment according to payment instructions will be made to the transport company driver.
By Bank Transfer - you will receive by email, no later than the next business day, a proforma invoice that will contain the account number to be used for payment.
On Invoice - this payment method is available to partners who have concluded a framework agreement with our company. If you want to use the last two payment methods, please contact our manager, who will provide you with instructions on how to obtain an invoice with or without VAT.
The electrical equipment we supply meets high quality standards, has a 24-month warranty and complies with all EU requirements.
We also offer free delivery for orders over 508 RON, and a flexible system of discounts and promotions. The technical knowledge and experience of our employees allow us to provide high-quality consulting and, if necessary, to offer alternatives for electrotechnical products.
The electrical equipment we provide meets high quality standards, has a 24-month warranty, and complies with all European Union requirements.
In the case of a complaint, the return of products is not charged.
