
Notified by email when this product becomes available
- Description
- Instructions
- Payment methods
- Warranty
Releu de temporizare ON-DELAY ERP (TENSE)
Descriere:
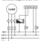
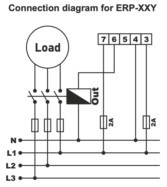
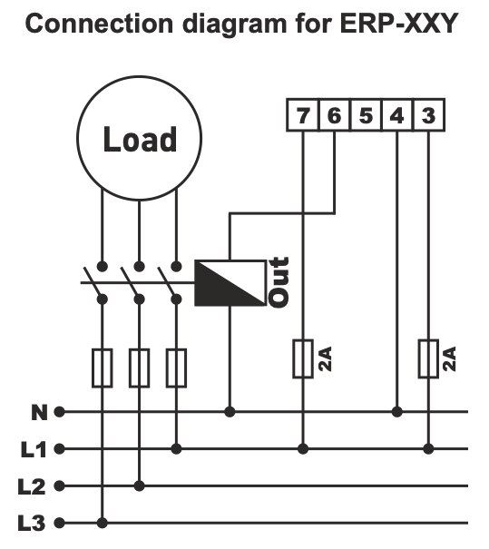
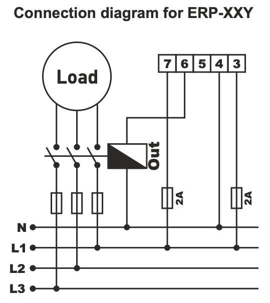
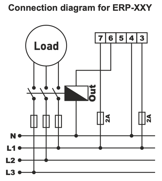
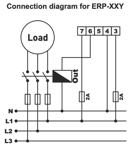
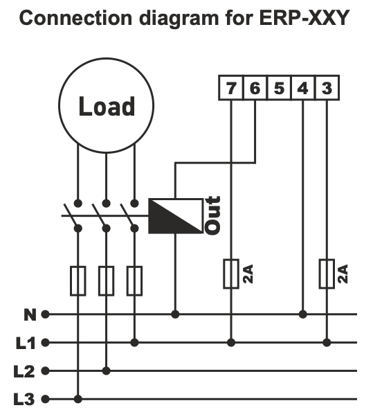
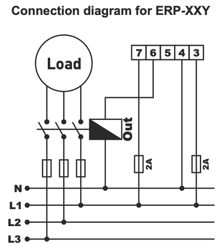
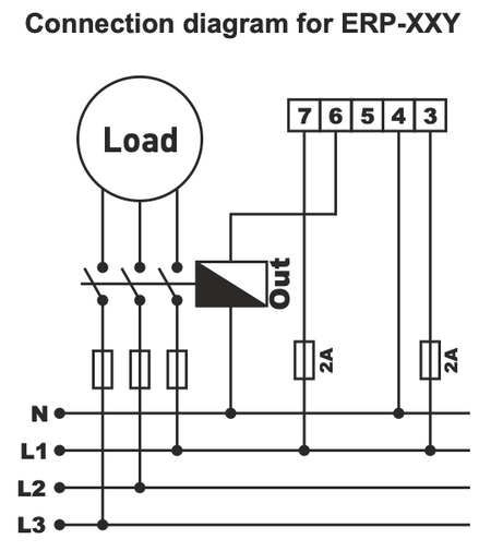
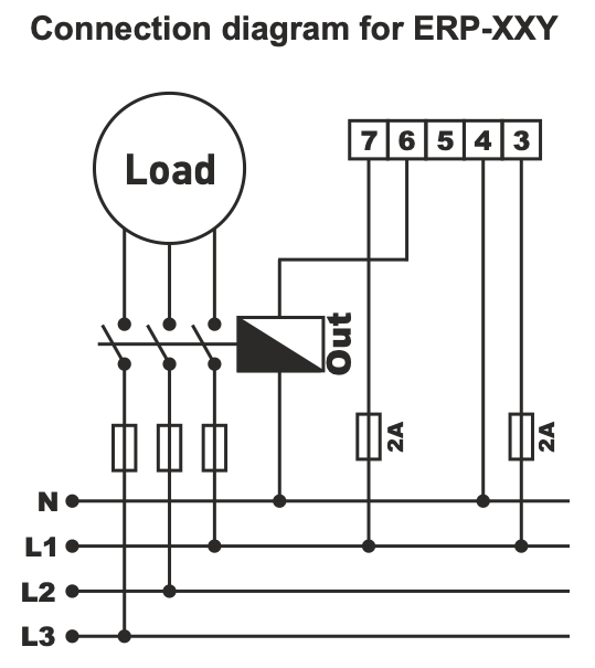
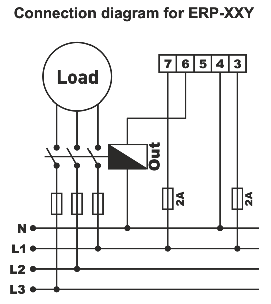
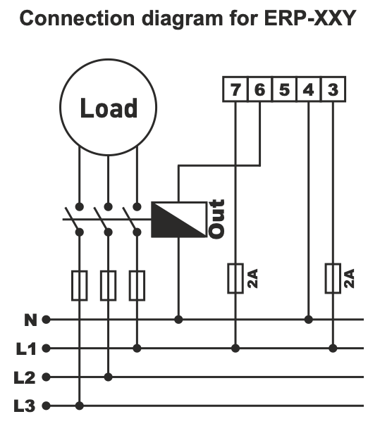
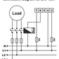
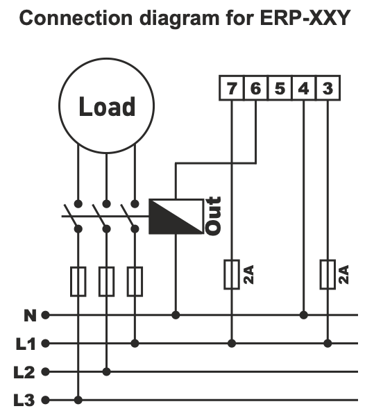
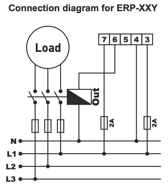
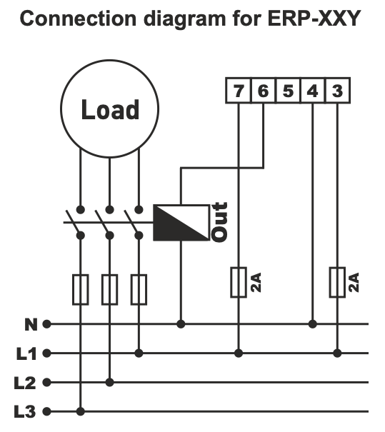
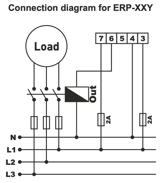
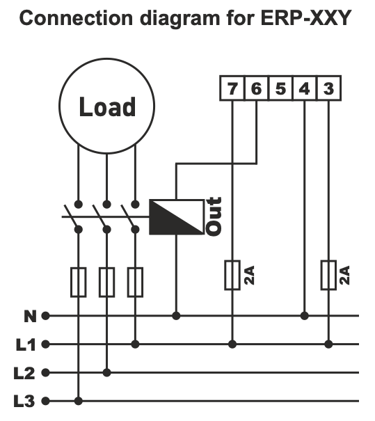
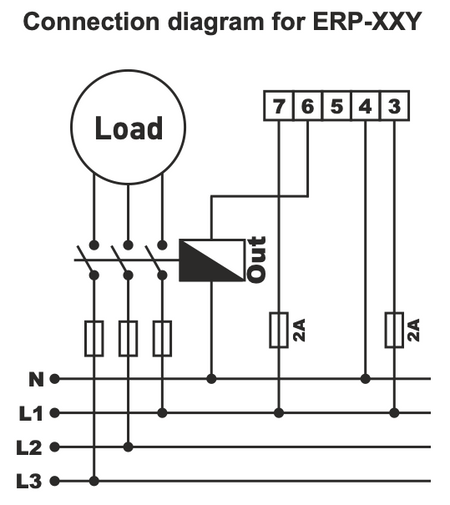
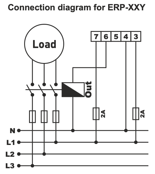
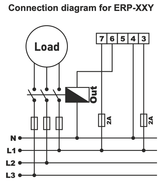
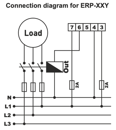
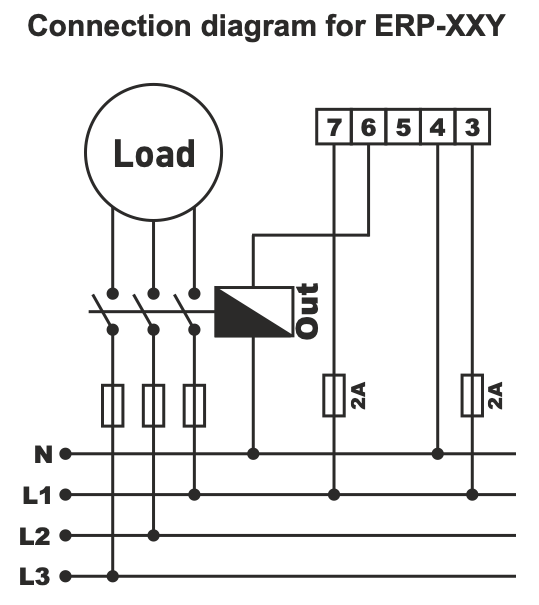
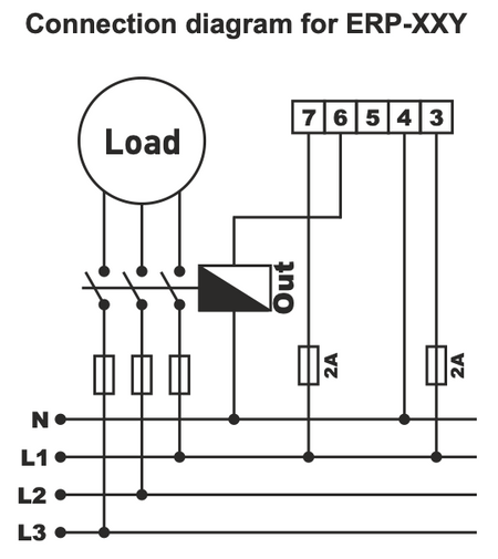
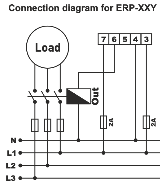
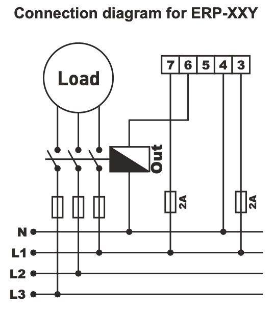
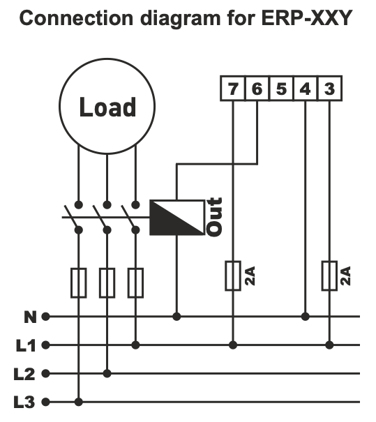
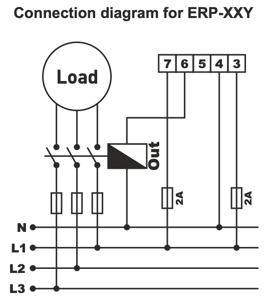
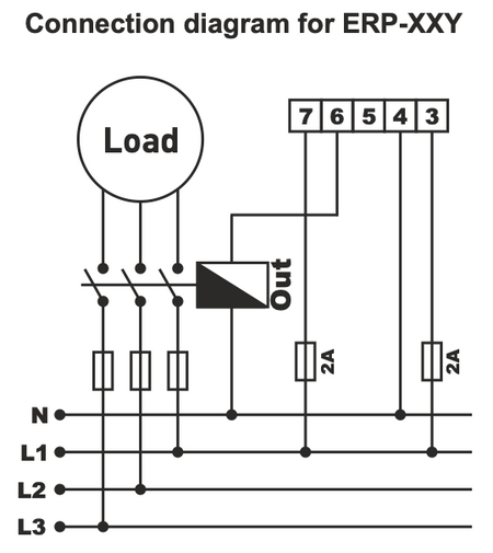
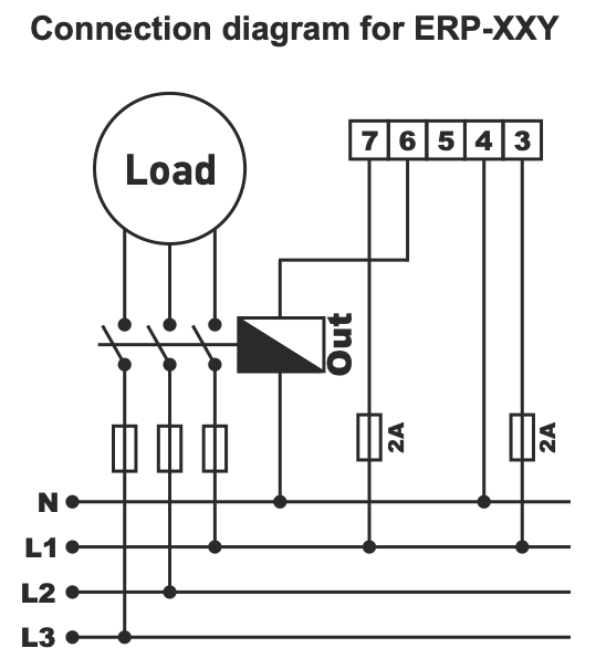
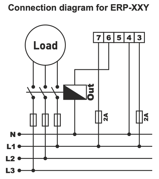
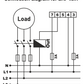
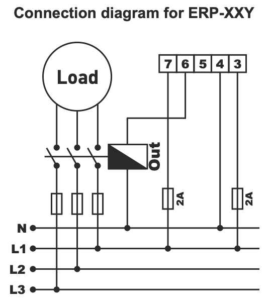
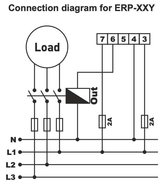
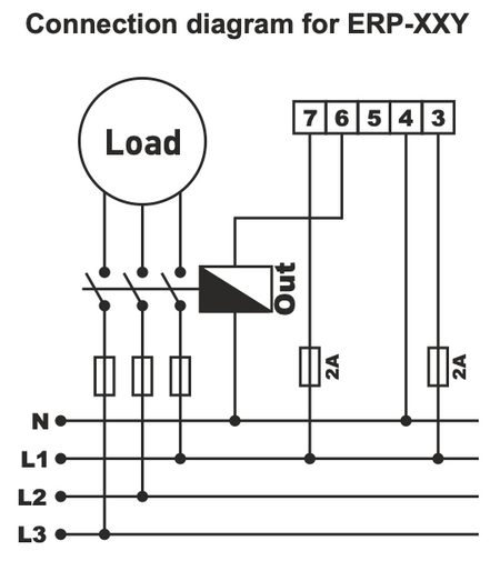
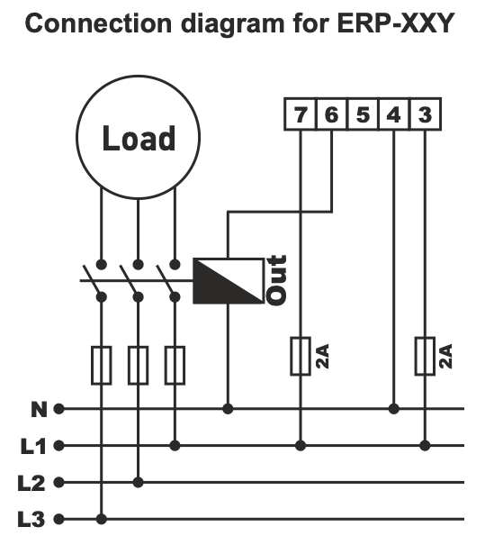
Temporizator ON-DELAY încorporat mono-funcțional 230 V/AC releu cu un contact de comutare. Releul este utilizat pentru a comuta secvențial sarcini cum ar fi cazane electrice, cuptoare, încălzitoare și previne supratensiunile de curent în rețea care ar putea provoca declanșarea întrerupătoarelor în timpul supratensiunilor mari. De asemenea, poate fi utilizat pentru a coordona timpul de pornire a mai multor dispozitive în mașini, aparate sau alte instalații.
Parametrii tehnici:
-
Alimentare: 230 V AC.
-
Ieșire: 1 × contact de comutare (SPDT)
-
Montare: 8 pini, 1/16 DIN (48 × 48 mm)
|
ERP-03Y: 0-3 s |
0-3 s |
|
ERP-12Y |
0-12 s |
|
ERP-30Y |
0-30 s |
|
ERP-60Y |
0-60 s |
|
ERP-12DY |
0-12 min |
|
ERP-03DY |
0-3 min |
|
ERP-30DY |
0-30 min |
|
ERP-60DY |
0-60 min |
Utilizare:
-
Comutare treptată a sarcinilor (cazane electrice, cuptoare, încălzitoare)
-
Protecție împotriva supratensiunilor din rețea
-
Coordonarea comutării pe mai multe dispozitive
Avantaje:
-
Releu de timp fiabil și precis
-
Instalare ușoară pe șină DIN
-
Utilizare universală în aplicații industriale și casnice
Categorie: Relee industriale, Automatizare, Relee de timp
Descărcare pe
Online Payment by Card - after completing the order, you will be redirected to the payment gateway, and payment confirmation will be sent to you by email.
Refund - payment according to payment instructions will be made to the transport company driver.
By Bank Transfer - you will receive by email, no later than the next business day, a proforma invoice that will contain the account number to be used for payment.
On Invoice - this payment method is available to partners who have concluded a framework agreement with our company. If you want to use the last two payment methods, please contact our manager, who will provide you with instructions on how to obtain an invoice with or without VAT.
The electrical equipment we supply meets high quality standards, has a 24-month warranty and complies with all EU requirements.
We also offer free delivery for orders over 508 RON, and a flexible system of discounts and promotions. The technical knowledge and experience of our employees allow us to provide high-quality consulting and, if necessary, to offer alternatives for electrotechnical products.
The electrical equipment we provide meets high quality standards, has a 24-month warranty, and complies with all European Union requirements.
In the case of a complaint, the return of products is not charged.
