
Notified by email when this product becomes available
- Description
- Instructions
- Payment methods
- Warranty
Three-phase network parameter analyzer / Network analyzer / Network analyzer - multifunctional digital measuring panel, indicator of current, voltage, frequency, and total power, with relay output, RS485 ModBus RTU - TPM-04SHDL manufacturer TENSE (Turkey) measuring panels.
Power analyzers are designed for measuring and monitoring electrical values. Due to the communication function, energy measurements can be monitored and reported independently. Analyses such as power quality, efficiency, and unit cost calculations can be performed with energy analyzers.
Main advantages:
- RS485 Modbus RTU (1200-19200bps)
- Three-phase voltage transformer and three-phase current transformer.
-
Displays voltage and current harmonics up to the 31st harmonic
-
Displays active power per phase (P)
-
Displays reactive power per phase (Q, inductive and capacitive)
-
Displays apparent powers per phase (S)
-
Displays Cosφ values and power factor for each phase
-
Displays phase-neutral, phase-phase voltage (V) and current (I) values for each phase, frequency measurement
-
Displays total values of active energy import and export (ΣkWh)
-
Displays total values of inductive and capacitive reactive energy (ΣkVArh)
-
Displays minimum and maximum values, maximum demand
-
2 relay outputs, 1 digital input
-
Event logs (high/low voltage/current, voltage/current imbalance, THD-I)
-
The menu is password protected.
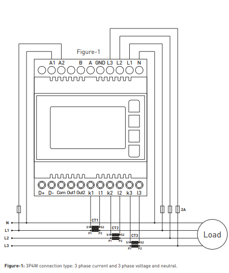
Typically, this network analyzer is used with current measurement transformers - 60/5 75/5 100/5 150/5 200/5 250/5 300/5 400/5 500/5 600/5 800/5 1000/5 1500/5 or similar. If you intend to connect the analyzer to ModBus, we will send you a "registration table" with the ModBus addresses upon request.
Online Payment by Card - after completing the order, you will be redirected to the payment gateway, and payment confirmation will be sent to you by email.
Refund - payment according to payment instructions will be made to the transport company driver.
By Bank Transfer - you will receive by email, no later than the next business day, a proforma invoice that will contain the account number to be used for payment.
On Invoice - this payment method is available to partners who have concluded a framework agreement with our company. If you want to use the last two payment methods, please contact our manager, who will provide you with instructions on how to obtain an invoice with or without VAT.
The electrical equipment we supply meets high quality standards, has a 24-month warranty and complies with all EU requirements.
We also offer free delivery for orders over 508 RON, and a flexible system of discounts and promotions. The technical knowledge and experience of our employees allow us to provide high-quality consulting and, if necessary, to offer alternatives for electrotechnical products.
The electrical equipment we provide meets high quality standards, has a 24-month warranty, and complies with all European Union requirements.
In the case of a complaint, the return of products is not charged.
