
Notified by email when this product becomes available
Pre-order product
- Description
- Instructions
- Payment methods
- Warranty
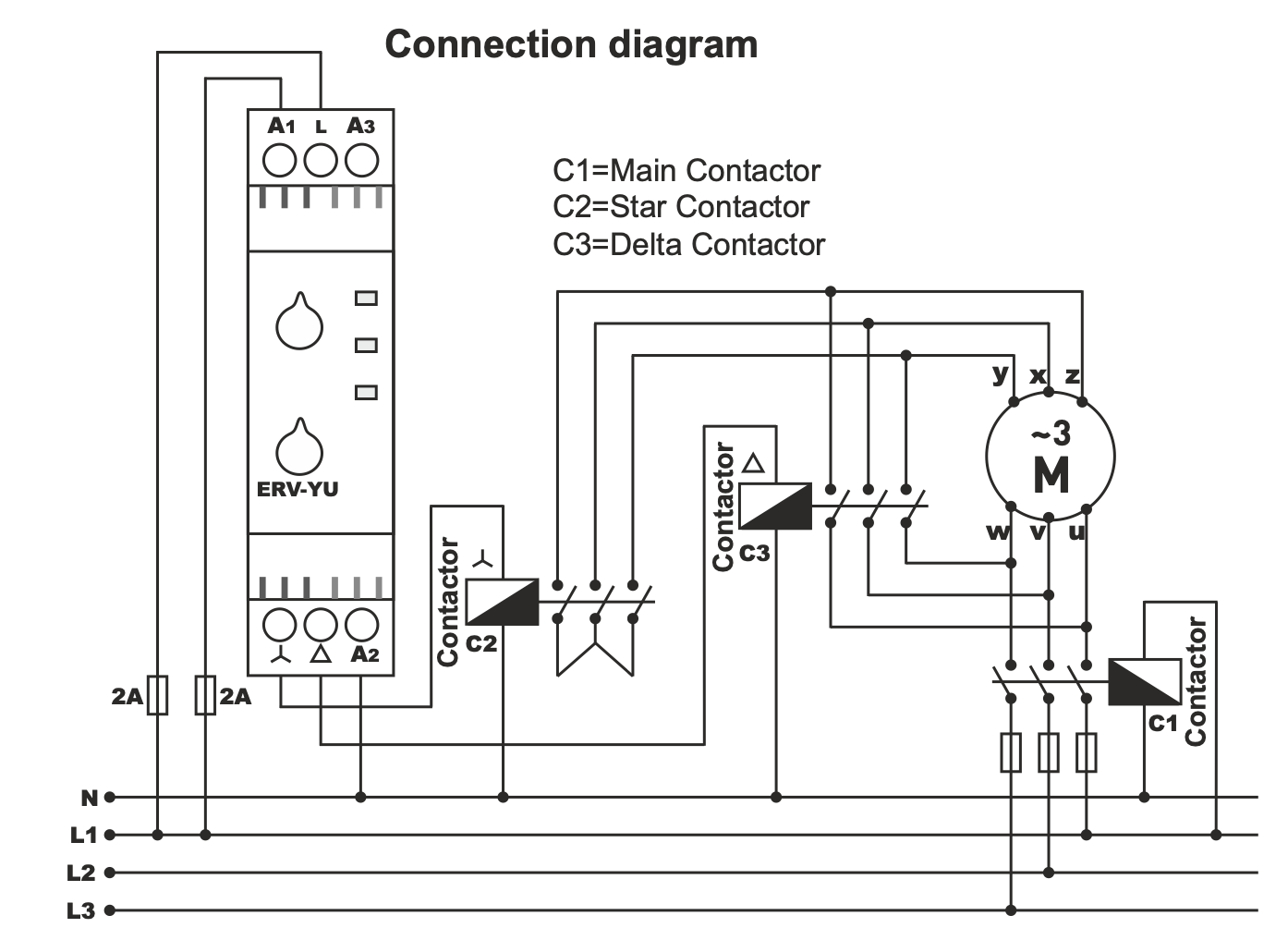
Star-Triangle automatic switch / Star-Triangle timed relay 24VAC/DC - 240V AC with 1 switching contact.
The star-delta automatic switch - star-delta time relays are designed to be used for the initial starting of three-phase motors. When the coil is energized, it will switch to the star wiring to allow the motor to start. The star remains connected for a set period of time and then switches to standby mode. After the waiting period, it allows switching to the delta connection. Therefore, it provides efficiency by reducing the current consumed by motors that use high power during startup.
The time relay is mounted on a standard 35 mm DIN rail
Online Payment by Card - after completing the order, you will be redirected to the payment gateway, and payment confirmation will be sent to you by email.
Refund - payment according to payment instructions will be made to the transport company driver.
By Bank Transfer - you will receive by email, no later than the next business day, a proforma invoice that will contain the account number to be used for payment.
On Invoice - this payment method is available to partners who have concluded a framework agreement with our company. If you want to use the last two payment methods, please contact our manager, who will provide you with instructions on how to obtain an invoice with or without VAT.
The electrical equipment we supply meets high quality standards, has a 24-month warranty and complies with all EU requirements.
We also offer free delivery for orders over 508 RON, and a flexible system of discounts and promotions. The technical knowledge and experience of our employees allow us to provide high-quality consulting and, if necessary, to offer alternatives for electrotechnical products.
The electrical equipment we provide meets high quality standards, has a 24-month warranty, and complies with all European Union requirements.
In the case of a complaint, the return of products is not charged.
