
Notified by email when this product becomes available
Pre-order product
- Description
- Instructions
- Payment methods
- Warranty
|
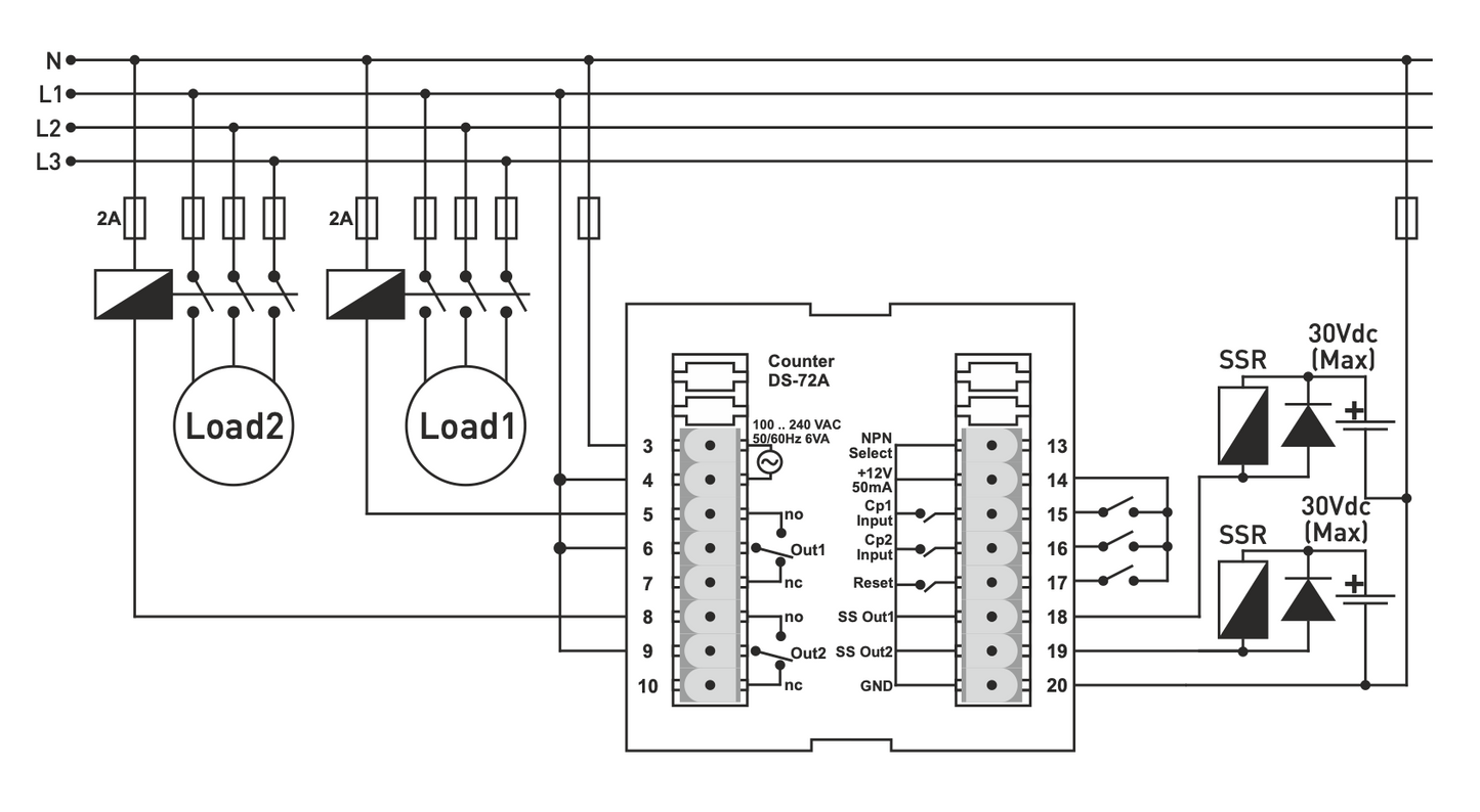
Detailed description General specifications of the DS-72A pulse counter: 2x 6-digit display, 2x PRESET value, 2x relay output OUT, 2x SSout for SSR relay control.
Counts signals from mechanical switches, limit switches, PNP/NPN inductive proximity sensors, and incremental encoder inputs. Count up/down. Password protection. Selectable input frequency: 20, 50, 2500, 7500 Hz. Calibration constant: 0.00001.....9.99999 Selectable decimal point: 0 / 0.0 / 0.00 / 0.000
Function combination options: 7 input functions / 10 output functions: Addition, countdown, addition/subtraction from two simultaneous entries, controlled counting/decoupling pause at the second entry, controlled entry negation at the second entry, addition/subtraction from the rising edge / falling edge / both edges simultaneously, addition from the rising edge / subtraction from the falling edge / negation of the function by the second input.
"OFFSET" adjustable of the calculated value. PRESET1 with absolute/relative value option. OUT relay 2x: turned on when the value is reached and maintained until RESET or pulse in the range of 0.1.....999.9 seconds. Remembers the number of pulses and the state of the OUT relay at the last power interruption and can be reset at the first start. RESET via the button on the front panel or the signal at the RESET terminal(17). Can display preset values ½. EEPROM memory for storing settings.
Technical features: Dimensions / opening: 72x72x94 mm / 67x67 mm Display: 2x LED display with 6 digits and 7 segments. LED indications: 5x: OUT1, OUT2, Finger1, Finger2, Batch. Inputs: 2x (Max: 7500 Hz, 5-30 V) NPN selection: connect the "npn select" terminal (13) to the "+12V" terminal (14) to connect the NPN sensor to input Cp1(15) and Cp2 (16). The reset input is always PNP. For the totem-field encoder or PNP-type encoders, "npn select" will not be connected. Input types: mechanical switch, PNP/NPN inductive encoder NPN/PNP/totem-pole output. Input frequencies: 20, 50, 2500, 7500 Hz. Reset signal: Terminal RESET (17), minimum 10 ms, signal + (PNP only) (5...30 V). Outputs (OUT): 2x SPDT relay 250VAC, 2A, resistive load, OUT1: terminals 6=COM, 5=NO, 7=NC OUT2: terminals 9=COM, 8=NO, 10=NC SSout 2x SSR control - NPN, 30V, 100mA max, terminals 18=SSout1, 19=SSout2, 20=GND
Sensor supply: terminal (14) 12 VDC, 50 mA (max.), unregulated. Supply voltage: 100...240VAC, 50-60Hz. Power consumption: < 8 VA Operating temperature: -20°C ... +55°C Altitude: <2000m
Installation notes: Use shielded and twisted signal cables and connect the shield to ground. Keep all signal cables away from switches, inductive loads, equipment/cables that emit electrical noise, and power cables. Take precautions against environmental influences such as humidity, vibrations, pollution, and high/low installation temperatures. Use a fuse (F250mA 250VAC) at the equipment's mains/power input. Use appropriate cables for power supply. Follow safety regulations during installation. Prefer to use the option (Inpt = Phs1) for encoders, Select (Freq = 20) for counting the ON-OFF mechanical switch pulses. Always select the minimum input frequency option that matches your application. For Inpt = 1u2u, 1u2d, Phs2; the input signal frequency must not exceed ½ of the selected input frequency option when both inputs are used. |
For Inpt = Phs4; the input signal frequency must not exceed 1/4 of the selected input frequency option when both inputs are used.
Online Payment by Card - after completing the order, you will be redirected to the payment gateway, and payment confirmation will be sent to you by email.
Refund - payment according to payment instructions will be made to the transport company driver.
By Bank Transfer - you will receive by email, no later than the next business day, a proforma invoice that will contain the account number to be used for payment.
On Invoice - this payment method is available to partners who have concluded a framework agreement with our company. If you want to use the last two payment methods, please contact our manager, who will provide you with instructions on how to obtain an invoice with or without VAT.
The electrical equipment we supply meets high quality standards, has a 24-month warranty and complies with all EU requirements.
We also offer free delivery for orders over 508 RON, and a flexible system of discounts and promotions. The technical knowledge and experience of our employees allow us to provide high-quality consulting and, if necessary, to offer alternatives for electrotechnical products.
The electrical equipment we provide meets high quality standards, has a 24-month warranty, and complies with all European Union requirements.
In the case of a complaint, the return of products is not charged.
