
Notified by email when this product becomes available
Pre-order product
- Description
- Instructions
- Payment methods
- Warranty
|
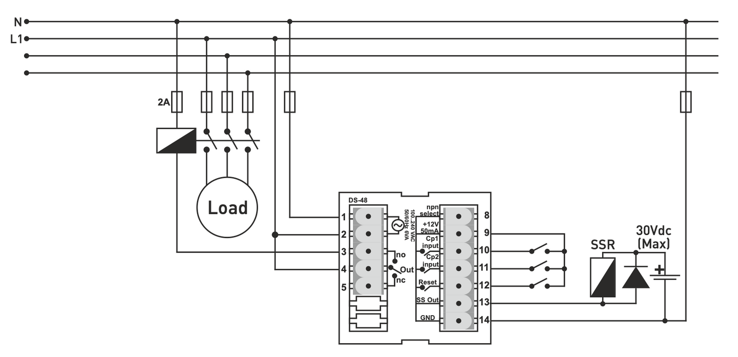
Detailed description Pulse counter for the DS-48 panel (2x 4-digit display: 1x counter, 1x target value)
General specifications of the DS-48 pulse counter: 2x 4-digit display, 1x preset value, 1x output relay OUT, downward clock/counter Counts signals from mechanical switches, PNP/NPN inductive proximity sensors, and incremental encoder inputs. Password protection. Selectable input frequency: 20, 50, 2500, 7500 Hz Calibration constant: 0.001.....9.999 Selectable decimal point: 0, 0.0, 0.00, 0.000
7 input functions / 9 output functions: - Counter, - countdown, - addition/ counting from two inputs simultaneously, - counting pause/ counting controlled by the second input, - negation of the input controlled by the second input, - addition/subtraction from the rising edge / falling edge / both edges simultaneously, - addition on the rising edge / subtraction on the falling edge / negation function with the second input
"OFFSET" adjustable of the calculated value Relay output: activates when the value is reached and remains until RESET or pulse in the range of 0.1.....999.9 seconds Remembers the number of pulses and the state of the output relay during the last power outage and can be reset after the first start. RESET via the button on the front panel or via signal on the RESET terminal (12). EEPROM memory for storing settings.
Installation notes:
Use shielded twisted signal cable and ground the shield. Keep all signal cables away from switches, inductive loads, devices/cables that emit electrical noise, and power cables. Avoid environmental influences such as humidity, vibrations, dirt, and high/low temperatures. Use a fuse (F250mA 250VAC) at the equipment's mains/power input. Use an appropriate cable for power supply. Follow safety regulations during installation. Before the encoder, preferably use the option (Inpt = Phs1), select (Frequency = 20) for counting the ON-OFF mechanical switch pulses, select the optimal minimum input frequency that matches your application. For Inpt = 1u2u, 1u2d, Phs2; the input signal frequency must not exceed ½ of the selected input frequency if both inputs are used.
Pre Inpt = Phs4; the input signal frequency must not exceed 1/4 of the selected input frequency if both inputs are used.
Technical parameters: Dimensions / opening: 48x48x96 mm / 44x44 mm Display: LED display with 2x4 digits and 7 segments. Number of inputs: 2 x (Max: 7500 Hz, 5-30 V) Input type: mechanical switch, PNP/NPN inductive sensor, NPN/PNP/totem-polar encoder output Input frequencies: 20, 50, 2500, 7500 Hz. Selecting the NPN sensor. The reset input is always PNP. Do not connect "npn select" before totem or PNP sensors. Reset signal: terminal (12), minimum 10 ms, signal + (only PNP) (5.....30 V) Supply voltage: 100...240 V AC, 50-60 Hz. Power consumption: < 8 VA Output (OUT): 1x SPDT relay 250VAC, 2A, resistive load, terminals 4=COM, 3=NO, 5=NC, 1x SSR control - NPN, 30V, max 100mA, terminal 13=SSout, 14=GND Sensor power supply: terminal (9) 12 VDC, 50 mA (max.), unregulated Conversion temperature: -20°C ... +55°C |
Monitoring altitude: <2000m
Online Payment by Card - after completing the order, you will be redirected to the payment gateway, and payment confirmation will be sent to you by email.
Refund - payment according to payment instructions will be made to the transport company driver.
By Bank Transfer - you will receive by email, no later than the next business day, a proforma invoice that will contain the account number to be used for payment.
On Invoice - this payment method is available to partners who have concluded a framework agreement with our company. If you want to use the last two payment methods, please contact our manager, who will provide you with instructions on how to obtain an invoice with or without VAT.
The electrical equipment we supply meets high quality standards, has a 24-month warranty and complies with all EU requirements.
We also offer free delivery for orders over 508 RON, and a flexible system of discounts and promotions. The technical knowledge and experience of our employees allow us to provide high-quality consulting and, if necessary, to offer alternatives for electrotechnical products.
The electrical equipment we provide meets high quality standards, has a 24-month warranty, and complies with all European Union requirements.
In the case of a complaint, the return of products is not charged.
