
Notified by email when this product becomes available
Pre-order product
- Description
- Instructions
- Payment methods
- Warranty
Controler de temperatură cu panou demare precizie - ON/OFF
Descrierea produsului:
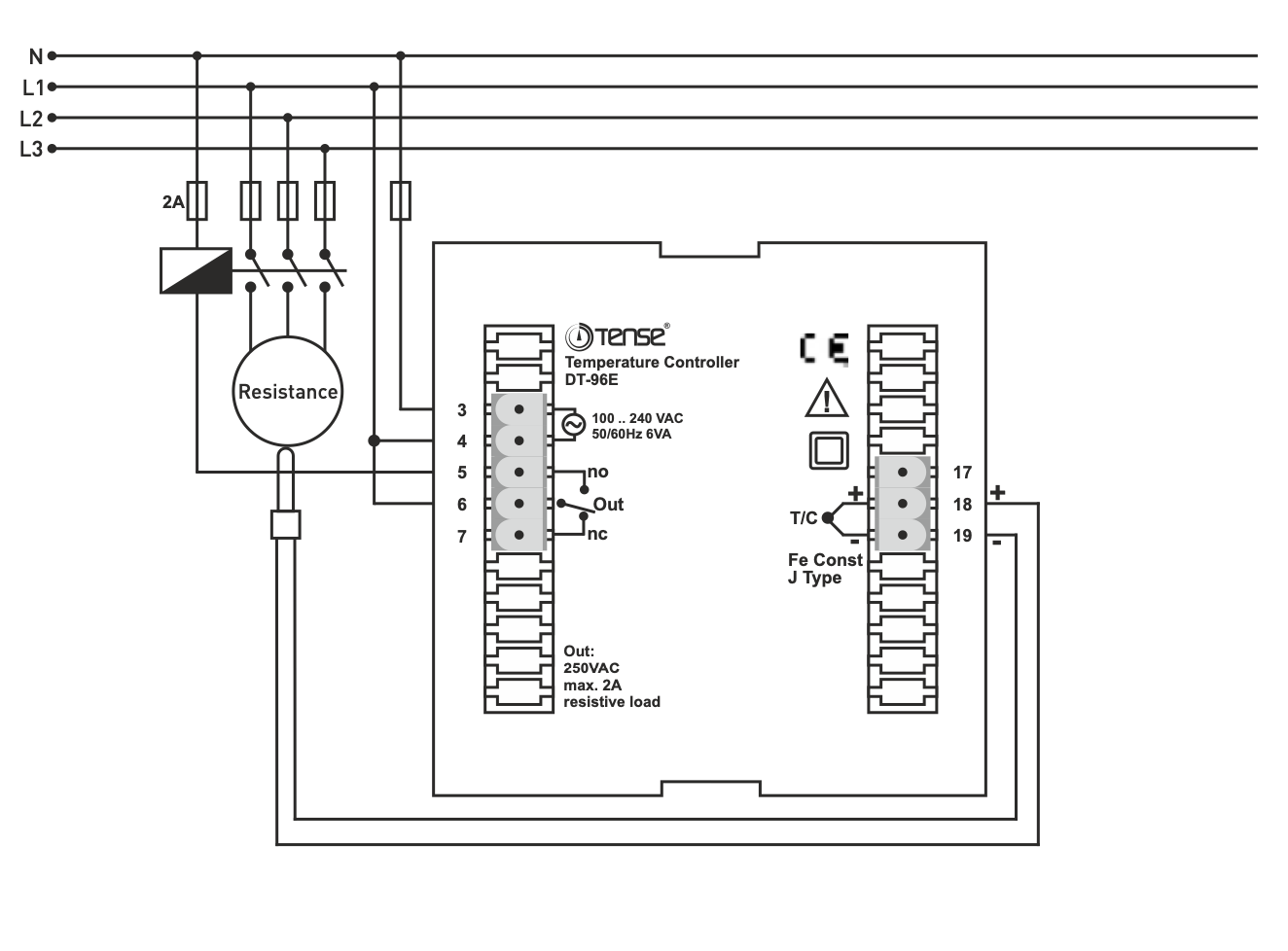
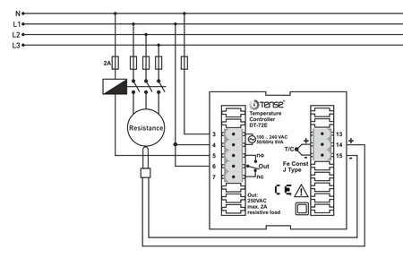
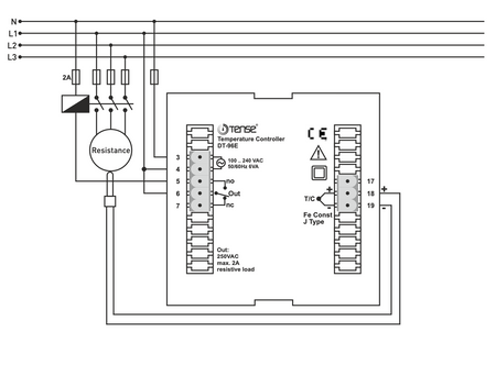
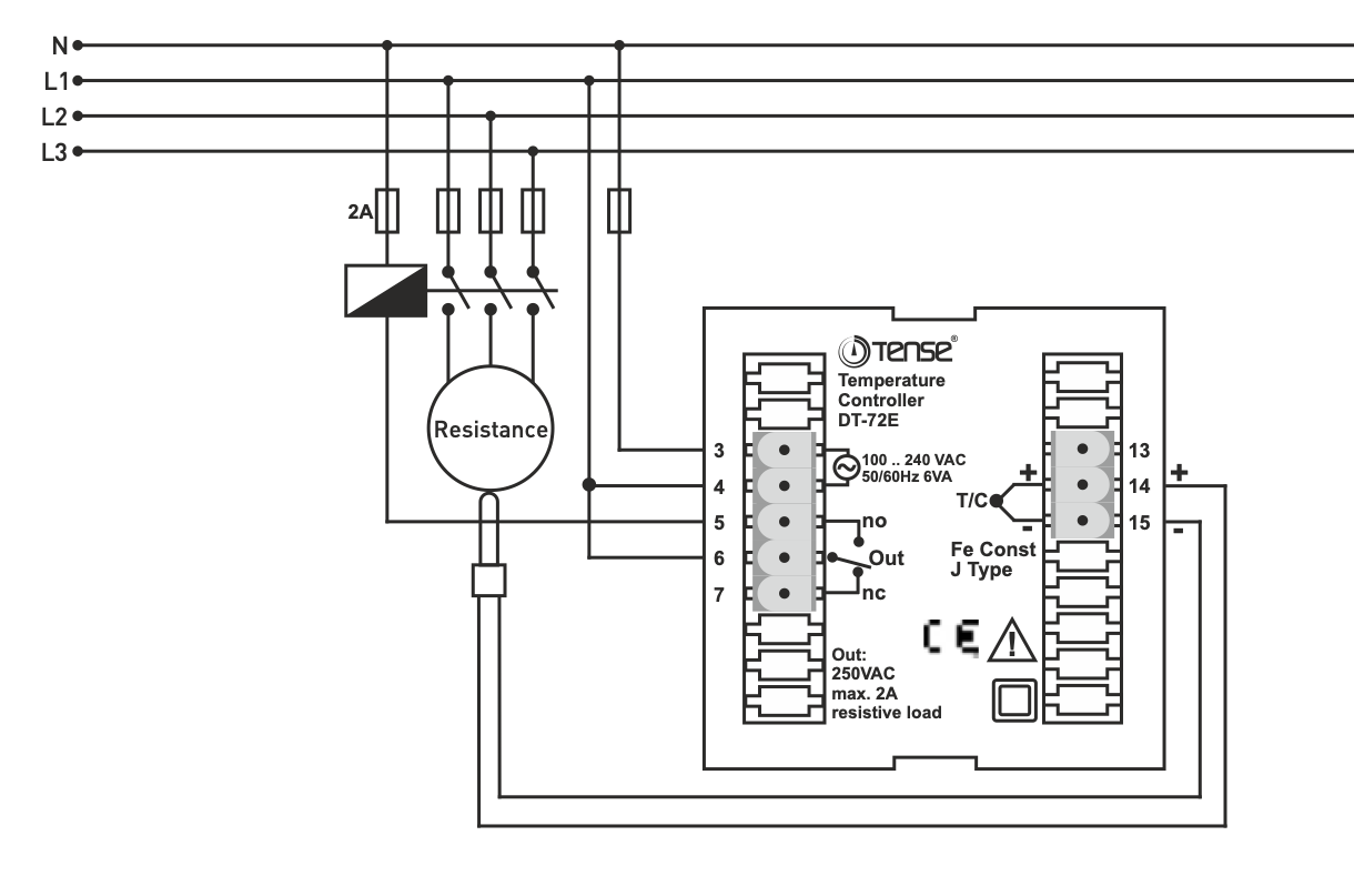
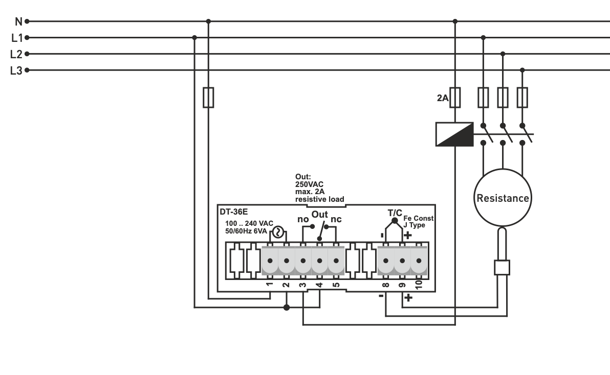
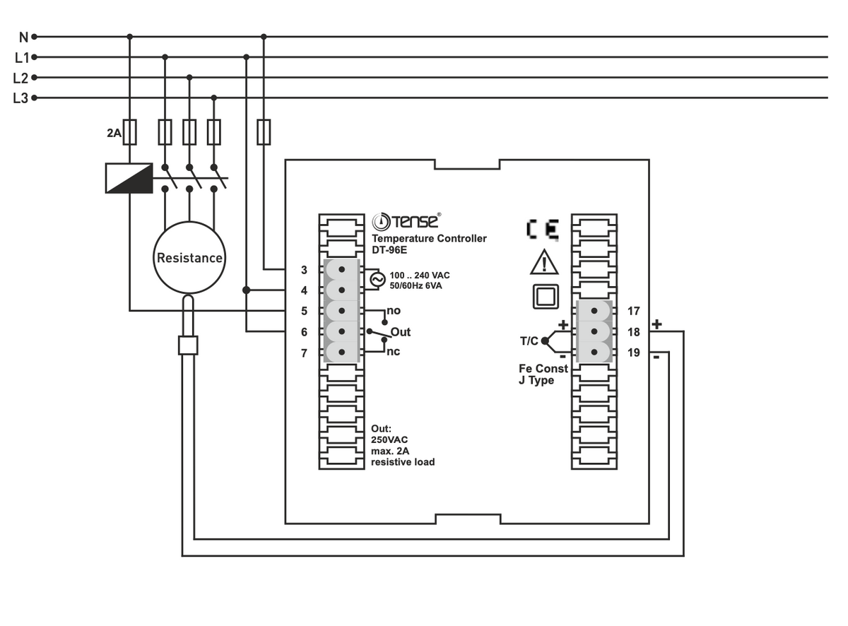
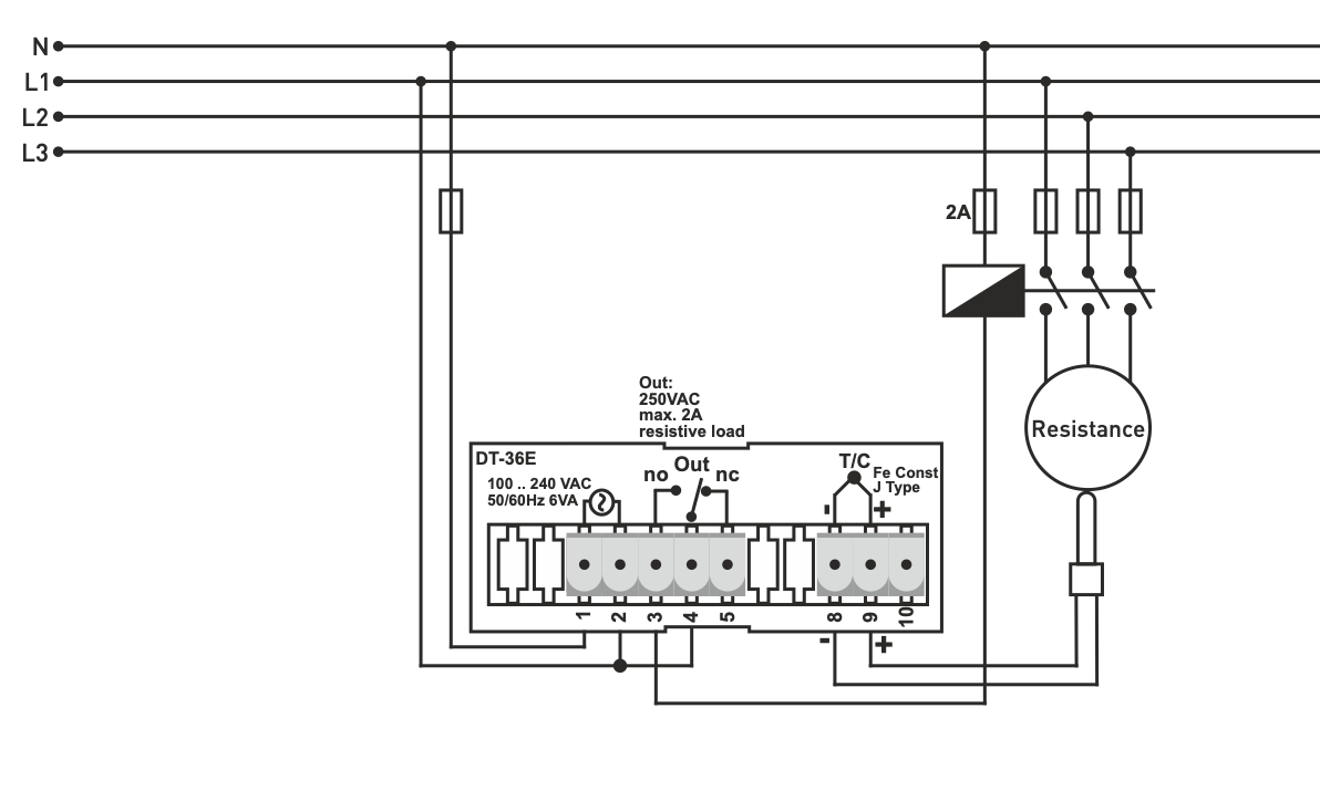
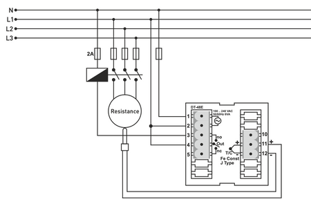
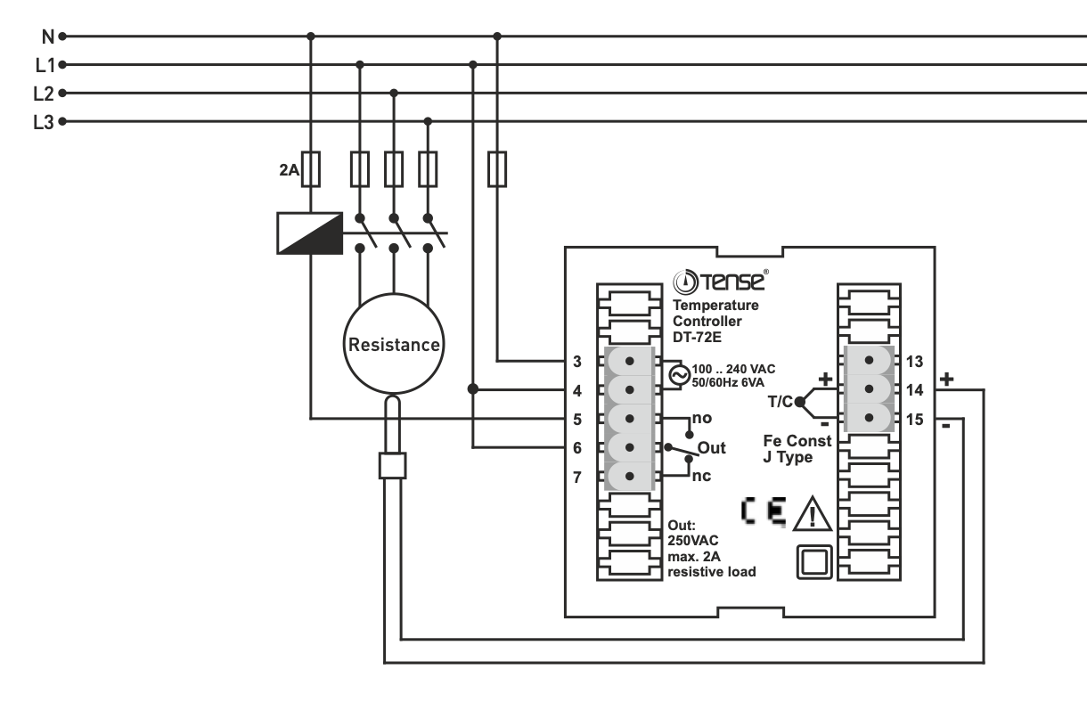
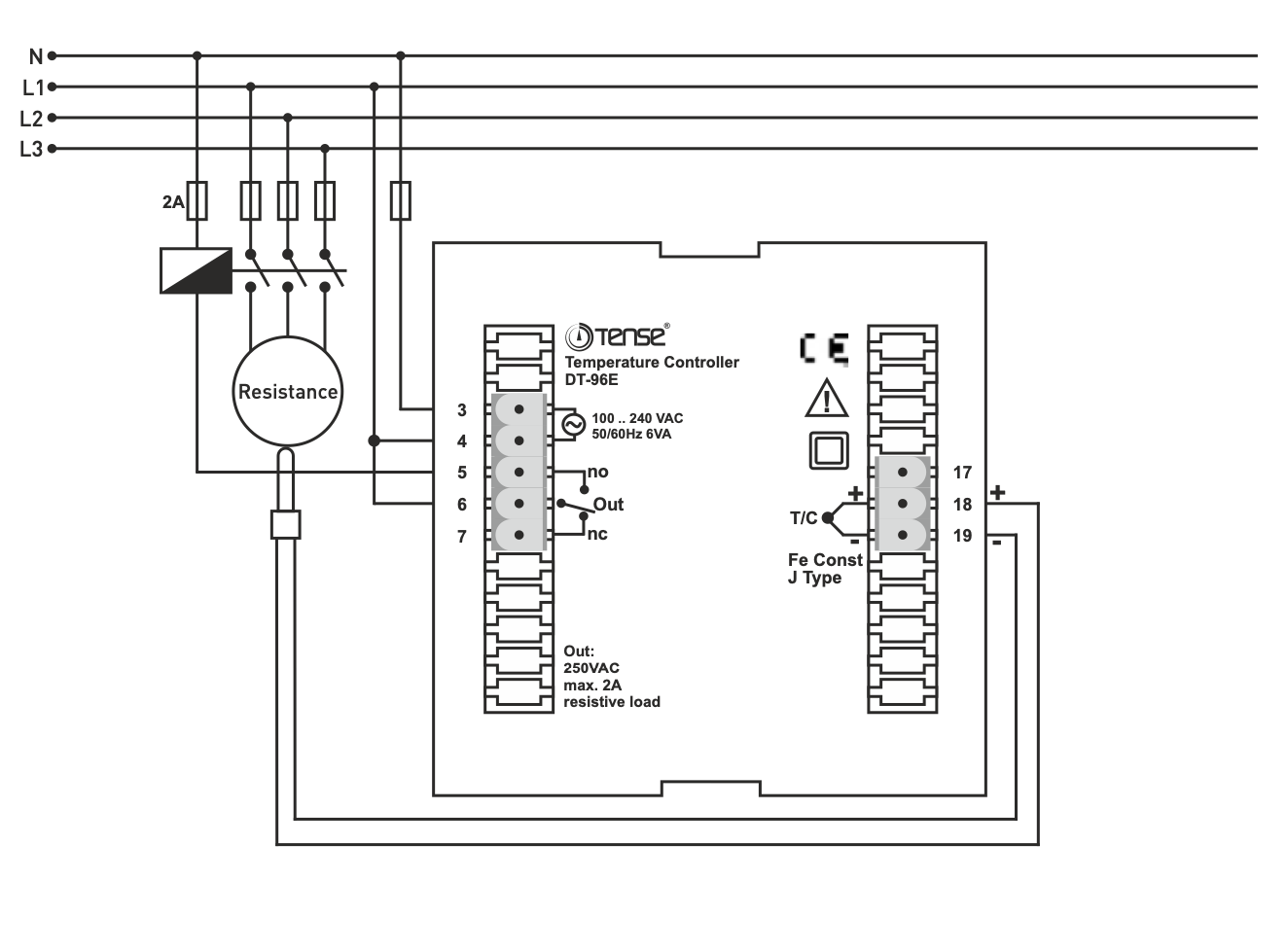
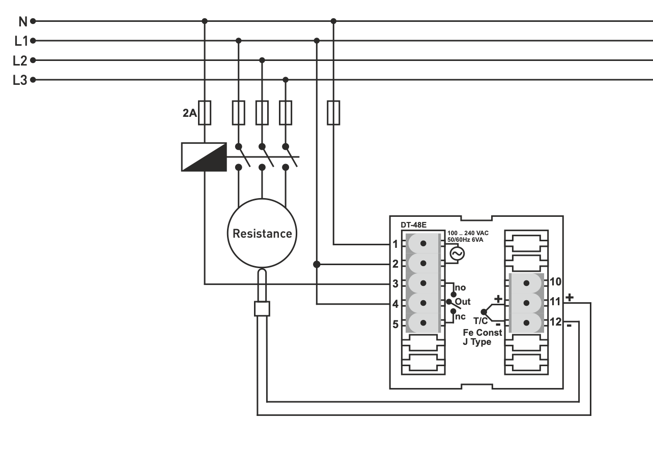
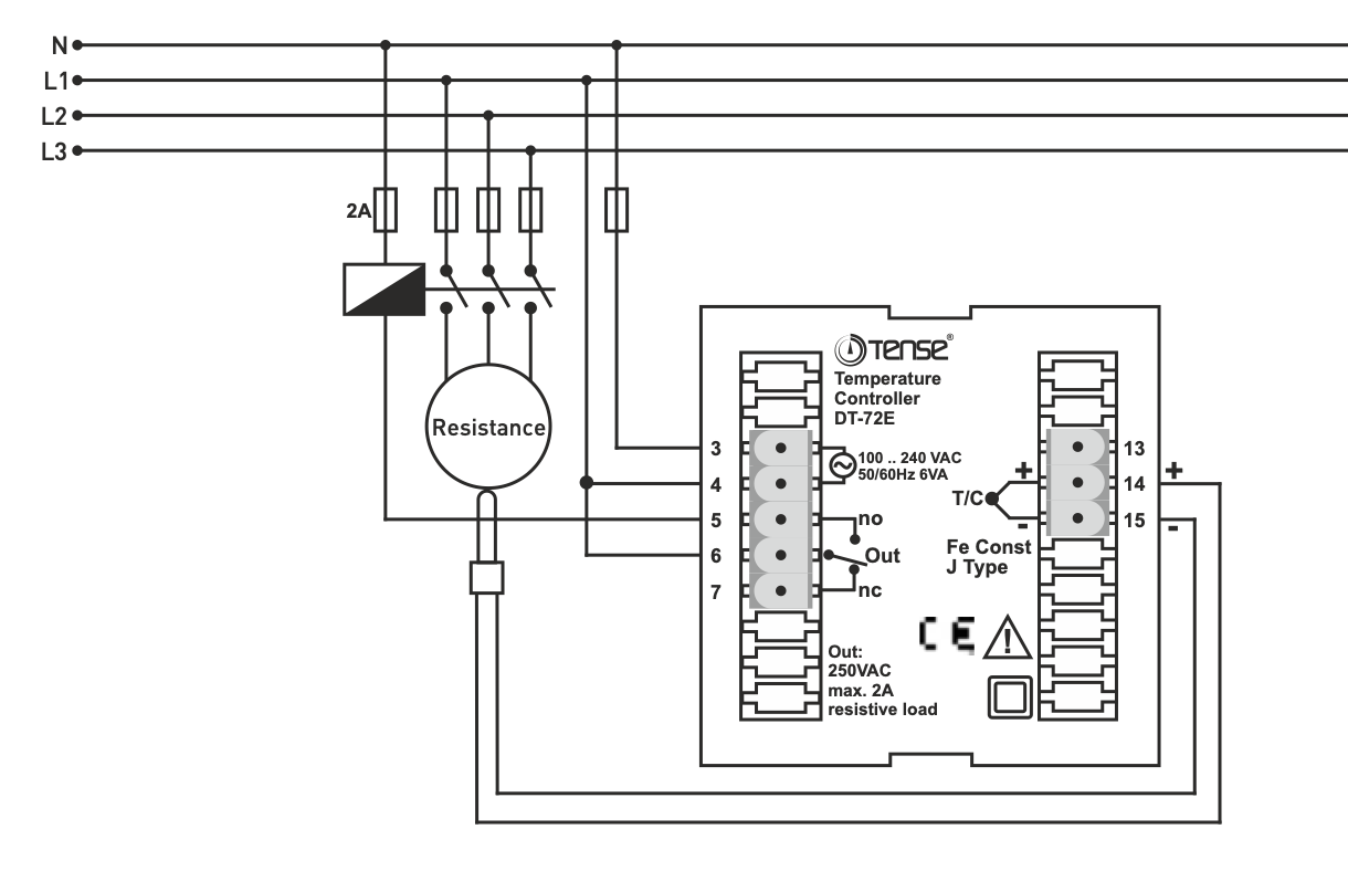
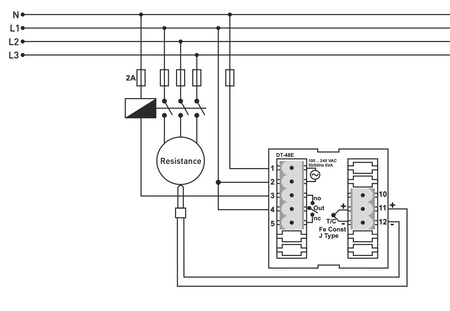
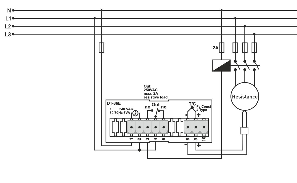
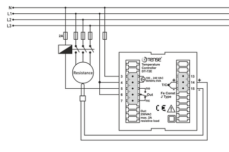
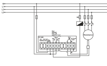
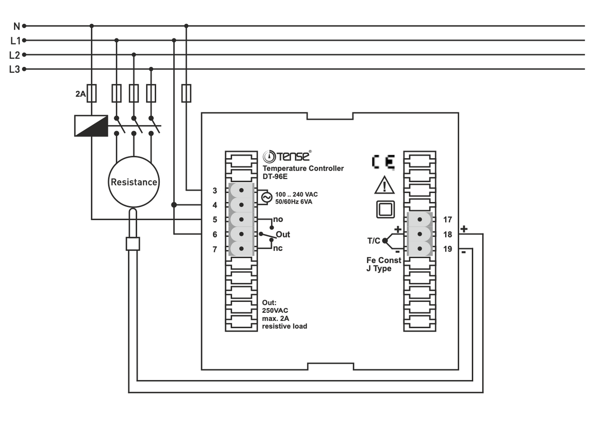
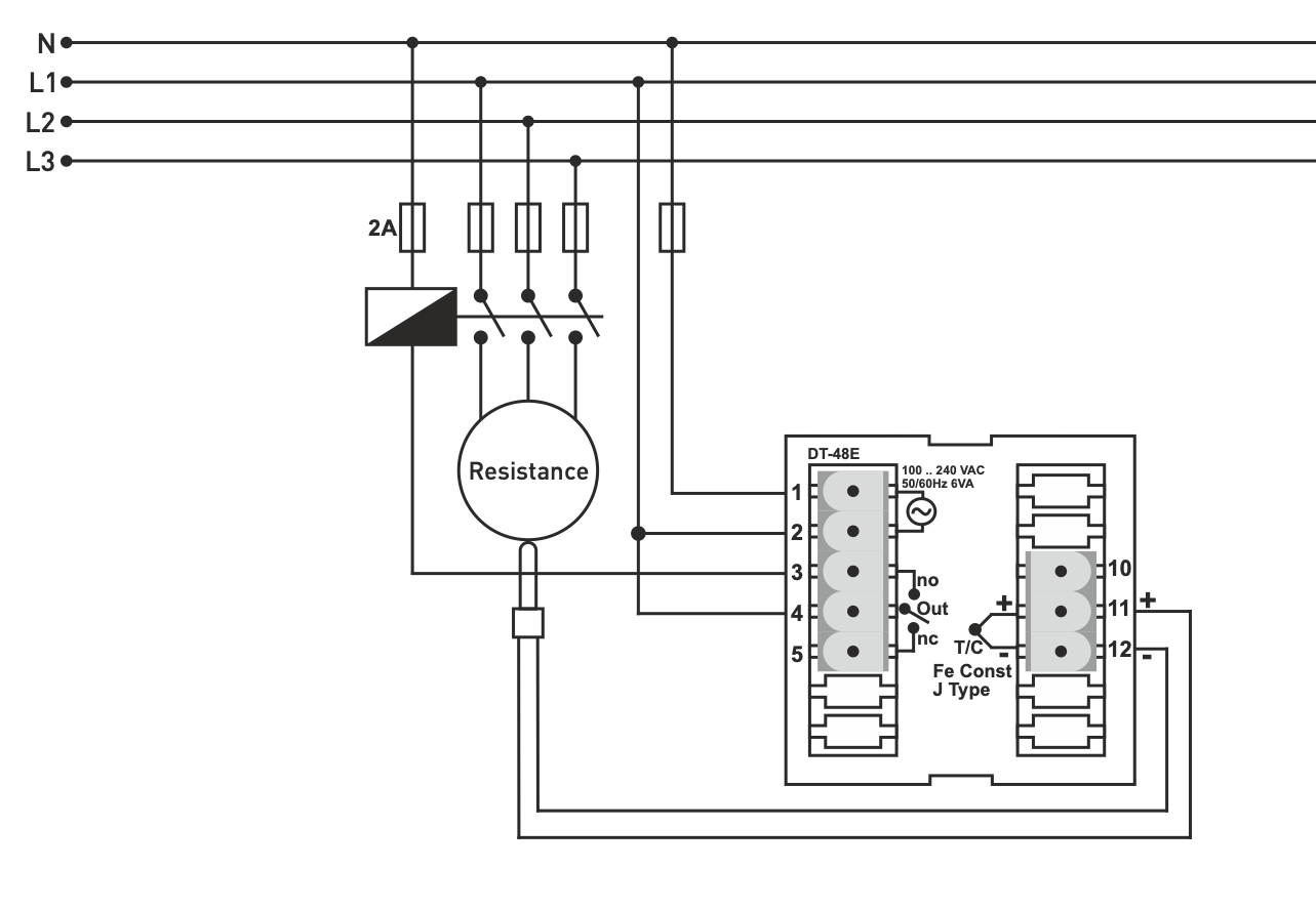
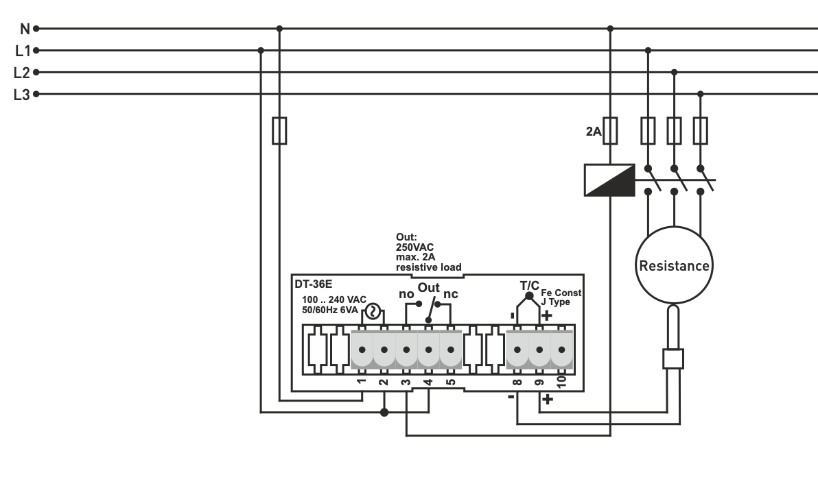
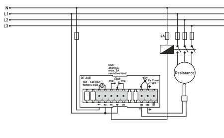
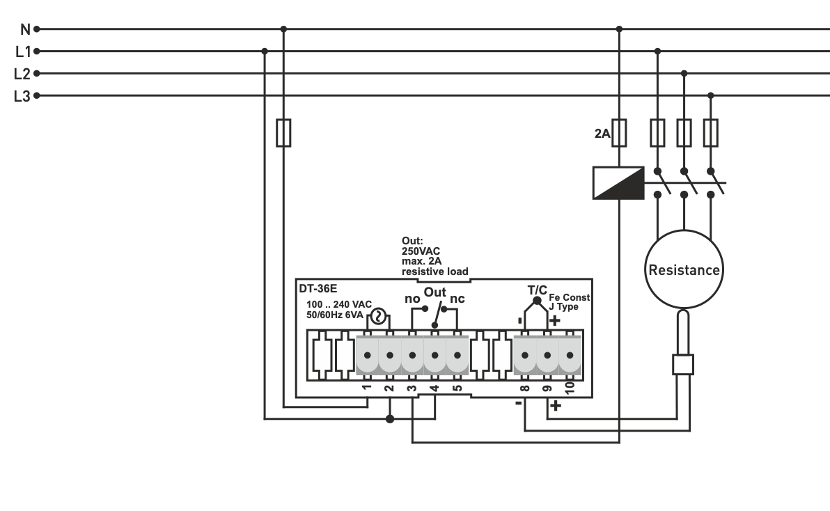
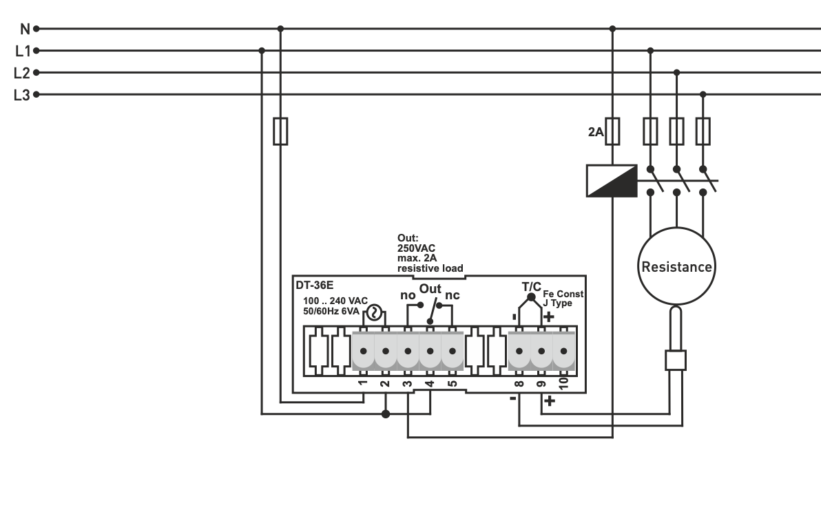
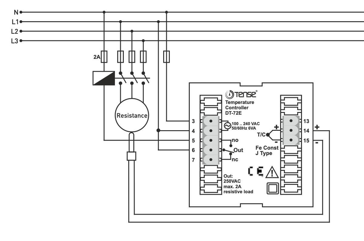
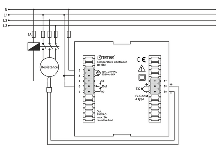
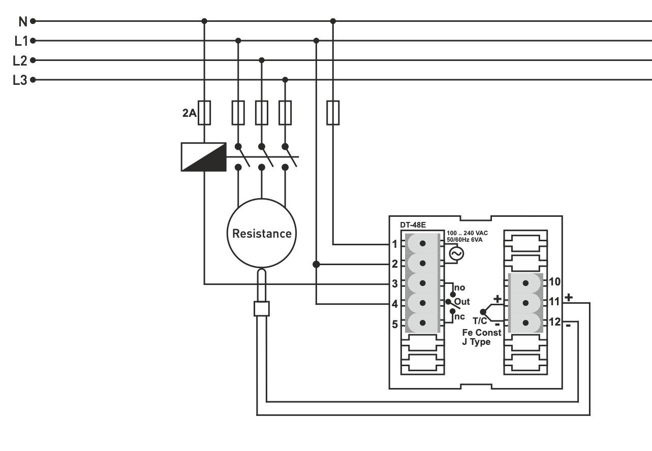
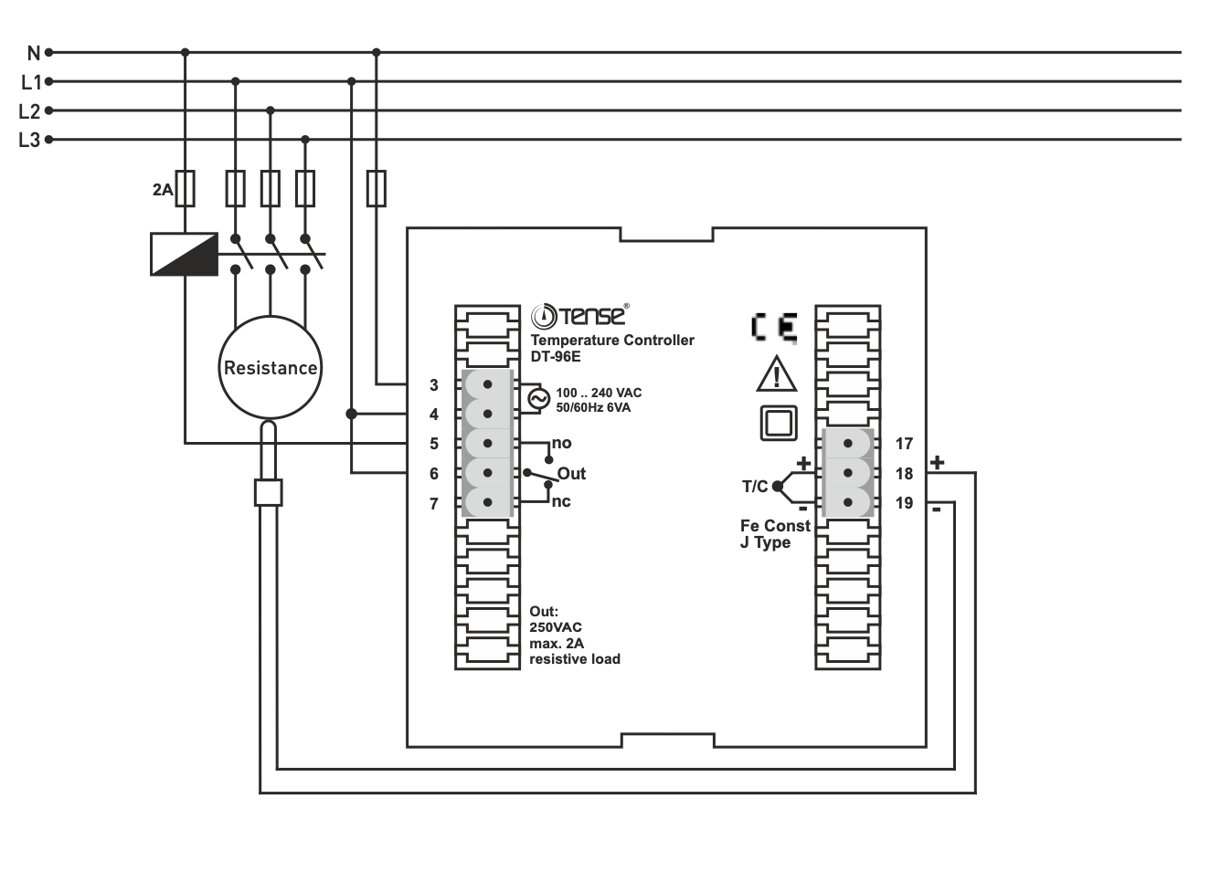
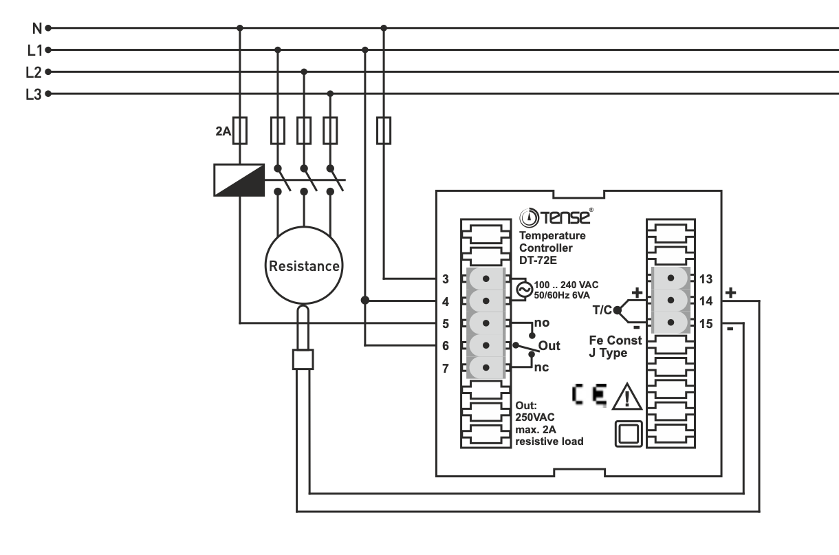
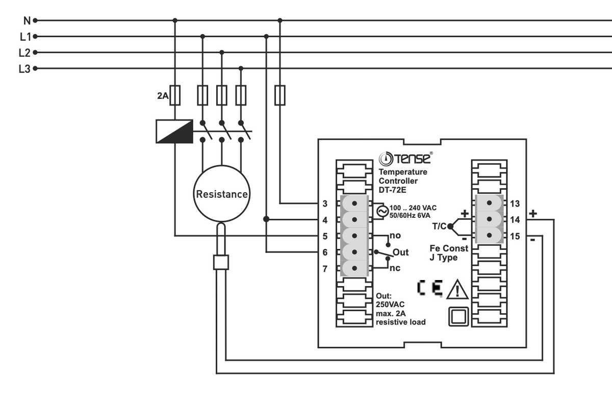
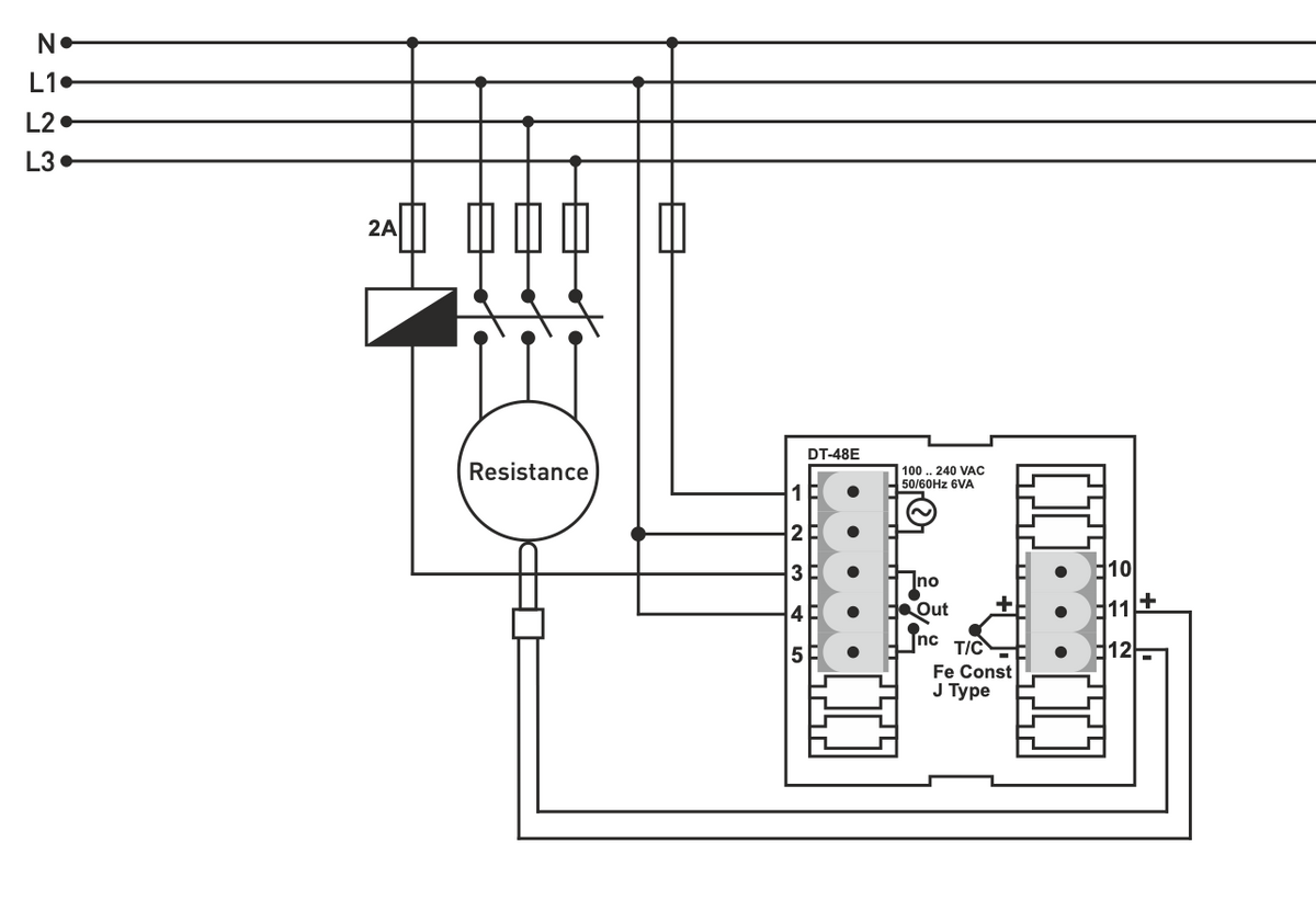
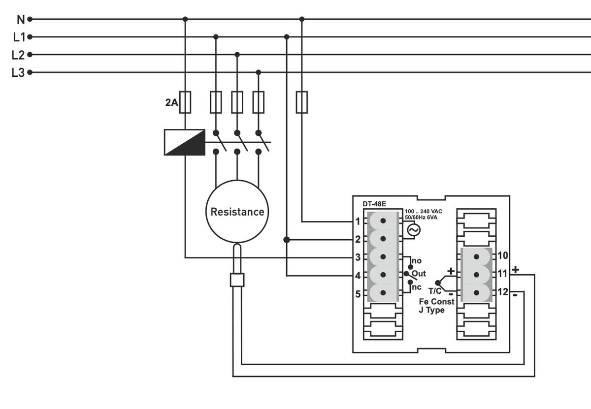
DT- este un regulator de temperatură de panou cu un singur canal proiectat pentru încălzire cu intrare universală. Acesta este utilizat pentru controlul precis al temperaturii în aplicații industriale, utilaje industriale ușoare, procesarea alimentelor, cuptoare și alte sisteme în care este necesar un control precis al încălzirii.
Intrări:
Senzor de rezistență Pt100
Termocupluri (T/C) tip J, K, T, R, S
Ieșiri:
Releu SPDT 2A / 250VAC pentru sarcină rezistivă
Ieșire digitală 12VDC / 20mA pentru controlul releului SSR
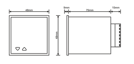
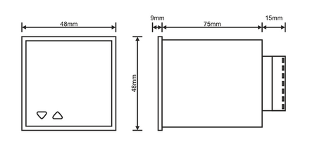
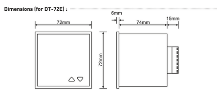
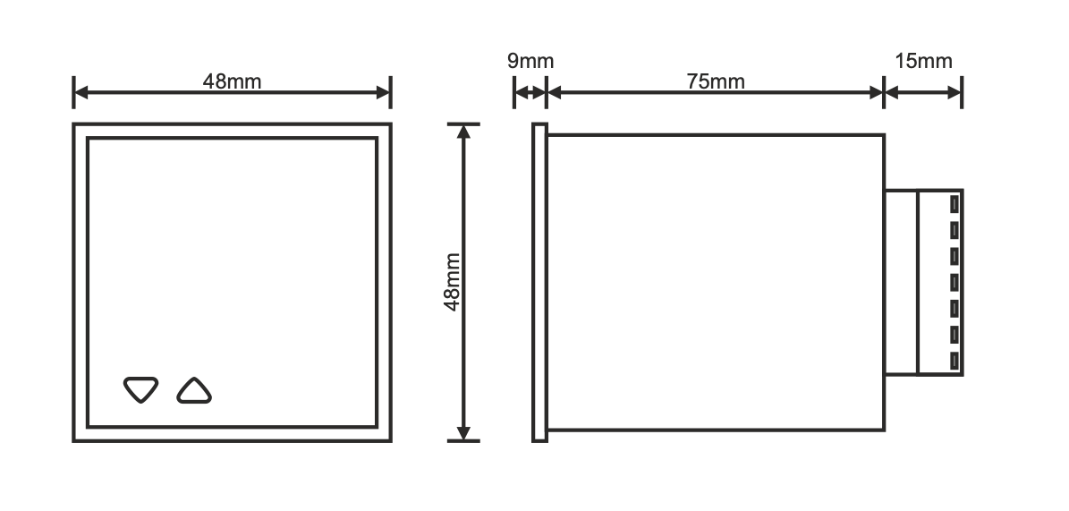
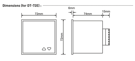
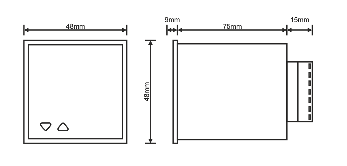
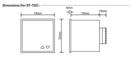
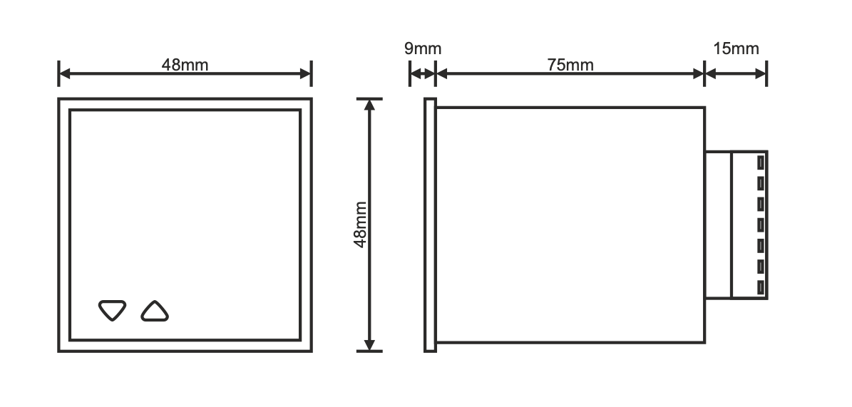
Dimensiuni:
Alimentare 230VAC.
Funcții și caracteristici
Control: PID și ON/OFF, opțional P, PI, PD
Mod rampă: creștere continuă a temperaturii la pornire
Anti-windup: protecție împotriva creșterii ieșirii de control în PID/PI
Limita superioară și inferioară: pentru stabilirea temperaturii SET dorite
Afișaj pe două linii: Sv (punctul de referință) și Pv (valoarea reală)
Compensare: joncțiune rece pentru T/C, rezistență de linie pentru Pt100
Conversie liniară: tabele °C/mV și °C/Ohm
Offset: offset al valorilor pe întreaga gamă
Protecție prin parolă: previne modificarea nedorită a setărilor
Memorie EEPROM: păstrează setările chiar și după deconectarea de la rețea
Conectare ușoară: conectori plug-in de 5,08 mm
Domenii de măsurare în funcție de tipul senzorului
| Interval (°C) | Tip senzor | Cod INPt |
|---|---|---|
| -100 .. 600 | TLC, tip J T/C | J |
| -100 .. 1300 | TXA, tip K T/C | K |
| -100 .. 400 | TMKn, tip T/C | T |
| 0 .. 1750 | Tip S T/C TPP | S |
| 0 .. 1750 | TPP, tip R T/C | R |
| -100 .. 600 | Pt100 | Pt |
| -99,9 .. 600,0 | Pt100 | Pt.0 |
Notă:
Deși controlerul poate măsura temperaturi sub -20 °C și peste +55 °C, dispozitivul în sine trebuie instalat într-un mediu cu o temperatură de -20 ... +55 °C, altfel carcasa din plastic se poate deforma și termostatul se poate defecta.
Online Payment by Card - after completing the order, you will be redirected to the payment gateway, and payment confirmation will be sent to you by email.
Refund - payment according to payment instructions will be made to the transport company driver.
By Bank Transfer - you will receive by email, no later than the next business day, a proforma invoice that will contain the account number to be used for payment.
On Invoice - this payment method is available to partners who have concluded a framework agreement with our company. If you want to use the last two payment methods, please contact our manager, who will provide you with instructions on how to obtain an invoice with or without VAT.
The electrical equipment we supply meets high quality standards, has a 24-month warranty and complies with all EU requirements.
We also offer free delivery for orders over 508 RON, and a flexible system of discounts and promotions. The technical knowledge and experience of our employees allow us to provide high-quality consulting and, if necessary, to offer alternatives for electrotechnical products.
The electrical equipment we provide meets high quality standards, has a 24-month warranty, and complies with all European Union requirements.
In the case of a complaint, the return of products is not charged.
