
Notified by email when this product becomes available
Pre-order product
- Description
- Instructions
- Payment methods
- Warranty
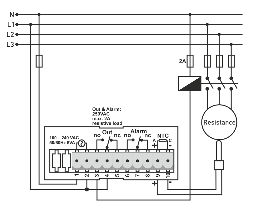
Termostat / regulator de temperatură în 2 puncte DT-322 - TENSE (Turcia)
Descriere:
Regulator de temperatură în 2 puncte pentru montare pe panou cu modul ON-OFF. Proiectat pentru controlul și monitorizarea proceselor termice în sistemele de încălzire, aer condiționat, ventilație, automatizarea clădirilor și aplicații industriale.
Funcții principale
-
Tip senzor: NTC
-
Ieșiri: releu OUT și ALARM (NO+NC), 250 VAC, 2A
-
Funcție opțională: Încălzire / răcire
-
Histerezis reglabil pentru SET și ALARM
-
Întârziere activare ieșire OUT pentru modul răcire
-
Temporizări ON/OFF reglabile pentru ieșirea OUT la defectarea senzorului
-
Limite superioare și inferioare pentru setările SET și ALARM
-
Memorie EEPROM pentru stocarea setărilor
-
Protecție prin parolă împotriva modificărilor neautorizate ale parametrilor
-
Precizie ridicată a măsurătorilor
Parametrii tehnici
-
Interval de măsurare: -19,9 °C ... +99,9 °C
-
Rezoluție/pas: 0,1 °C
-
Alimentare și funcționare: format standard de montare pe panou
-
Ieșiri releu: 250 VAC / 2 A
Aplicație
-
Controlul temperaturii în echipamente industriale, aer condiționat și încălzire
-
Monitorizarea proceselor de temperatură
-
Protecția echipamentelor și automatizarea proceselor
Descărcare pe
Online Payment by Card - after completing the order, you will be redirected to the payment gateway, and payment confirmation will be sent to you by email.
Refund - payment according to payment instructions will be made to the transport company driver.
By Bank Transfer - you will receive by email, no later than the next business day, a proforma invoice that will contain the account number to be used for payment.
On Invoice - this payment method is available to partners who have concluded a framework agreement with our company. If you want to use the last two payment methods, please contact our manager, who will provide you with instructions on how to obtain an invoice with or without VAT.
The electrical equipment we supply meets high quality standards, has a 24-month warranty and complies with all EU requirements.
We also offer free delivery for orders over 508 RON, and a flexible system of discounts and promotions. The technical knowledge and experience of our employees allow us to provide high-quality consulting and, if necessary, to offer alternatives for electrotechnical products.
The electrical equipment we provide meets high quality standards, has a 24-month warranty, and complies with all European Union requirements.
In the case of a complaint, the return of products is not charged.
