
Notified by email when this product becomes available
Pre-order product
- Description
- Instructions
- Payment methods
- Warranty
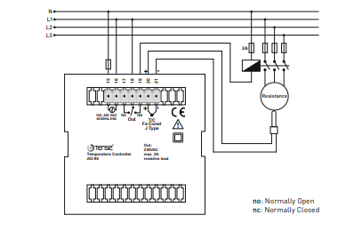
Termostat / controler de temperatură în 2 puncte TENSE
Descrierea produsului:
Regulatorul de temperatură este proiectat pentru controlul ON/OFF (pornit/oprit) sau proporțional al proceselor de temperatură. Potrivit pentru încălzire, aer condiționat, sisteme de ventilație, automatizarea clădirilor și instalații industriale.
Funcții și caracteristici:
-
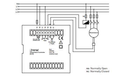
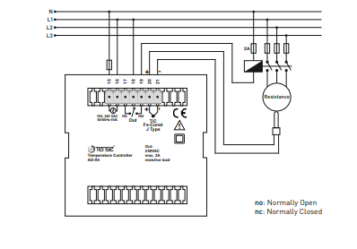
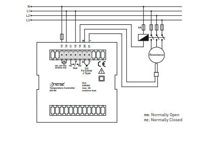
Mod de control ON/OFF (două puncte) sau proporțional.
-
Tip senzor: T/C (tip J, Fe-Const)
-
Ieșiri releu: OUT (NO + NC), 250VAC, 2A
-
Histerezis reglabil
-
Memorie EEPROM pentru stocarea setărilor
-
Afișaj clar cu setarea temperaturii dorite
Interval de măsurare și precizie:
-
Domeniul de măsurare: 0 °C ... +400 °C
-
Rezoluție/pas: 1 °C
Accesorii recomandate:
-
Senzori de temperatură tip J Fe-Const (6/8 metri), interval -100 °C ... +600 °C
-
Disponibil cu cablu: 1 m, 1,5 m, 2 m, 2,5 m, 3 m, 4 m sau 5 m
Aplicație:
-
Controlul temperaturii pentru încălzire, aer condiționat și ventilație
-
Linii și mașini industriale unde este necesar un control precis al temperaturii
-
Monitorizarea și protecția echipamentelor
Beneficii:
-
Produs Turkish TENSE fiabil
-
Conectare și configurare ușoară
-
Memorie pentru păstrarea setărilor chiar și după o pană de curent
Online Payment by Card - after completing the order, you will be redirected to the payment gateway, and payment confirmation will be sent to you by email.
Refund - payment according to payment instructions will be made to the transport company driver.
By Bank Transfer - you will receive by email, no later than the next business day, a proforma invoice that will contain the account number to be used for payment.
On Invoice - this payment method is available to partners who have concluded a framework agreement with our company. If you want to use the last two payment methods, please contact our manager, who will provide you with instructions on how to obtain an invoice with or without VAT.
The electrical equipment we supply meets high quality standards, has a 24-month warranty and complies with all EU requirements.
We also offer free delivery for orders over 508 RON, and a flexible system of discounts and promotions. The technical knowledge and experience of our employees allow us to provide high-quality consulting and, if necessary, to offer alternatives for electrotechnical products.
The electrical equipment we provide meets high quality standards, has a 24-month warranty, and complies with all European Union requirements.
In the case of a complaint, the return of products is not charged.
