
Notified by email when this product becomes available
Pre-order product
- Description
- Instructions
- Payment methods
- Warranty
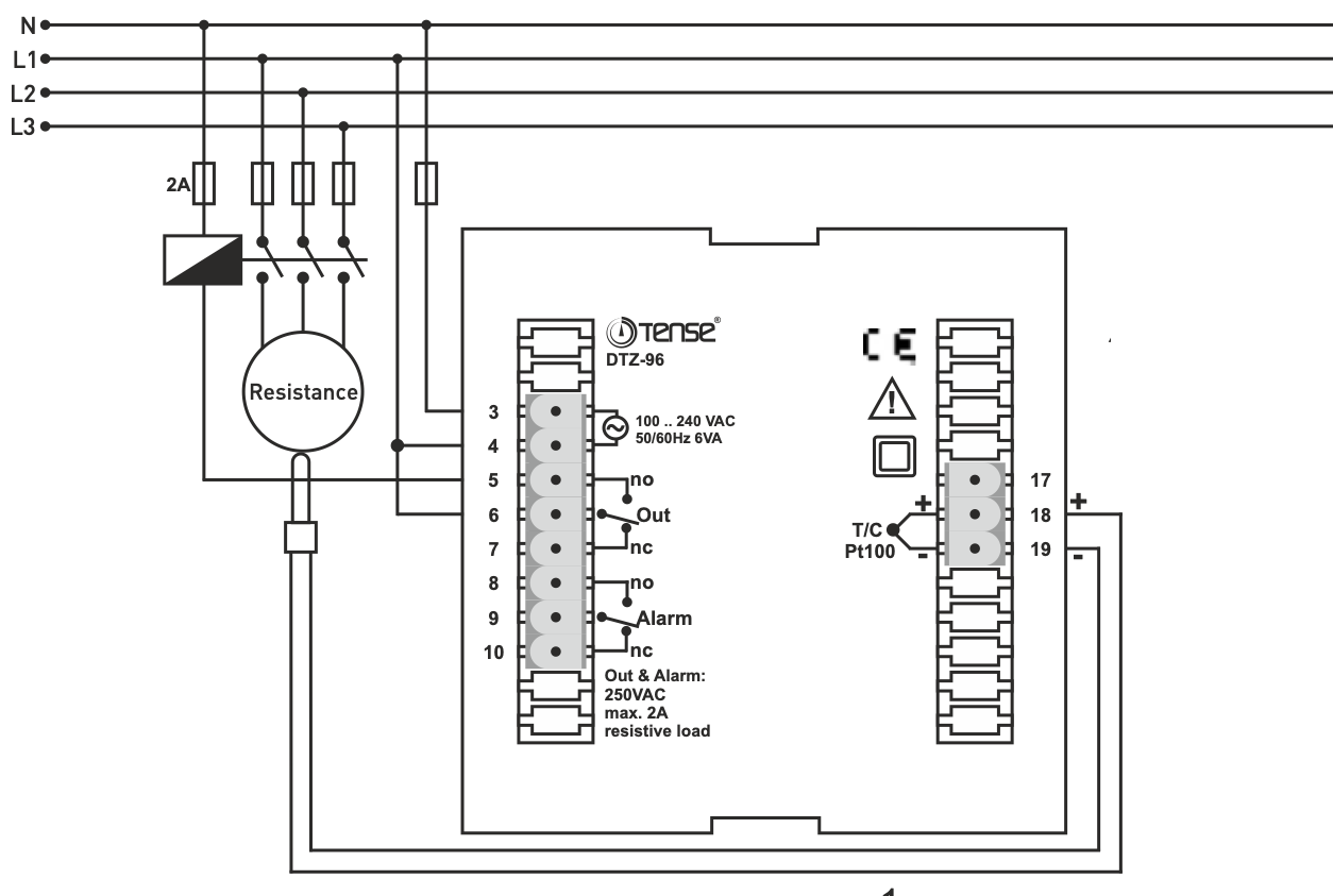
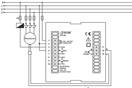
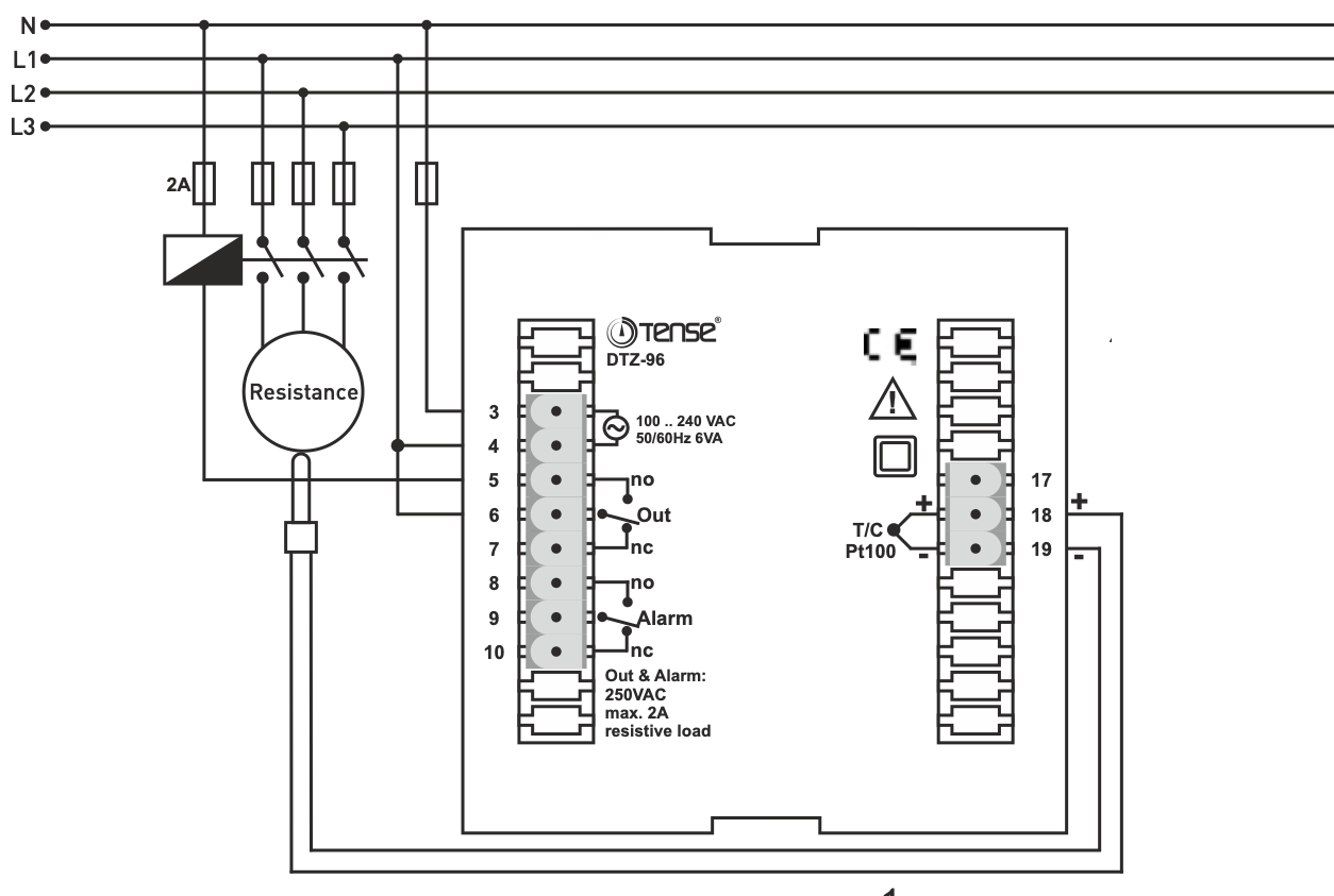
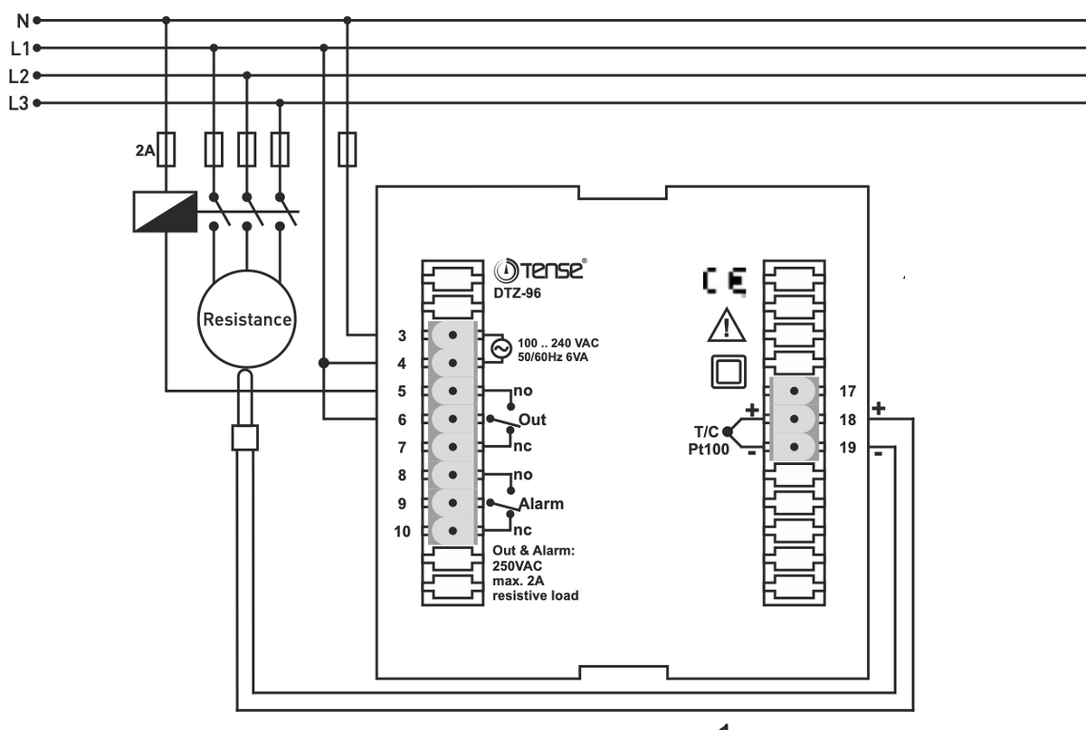
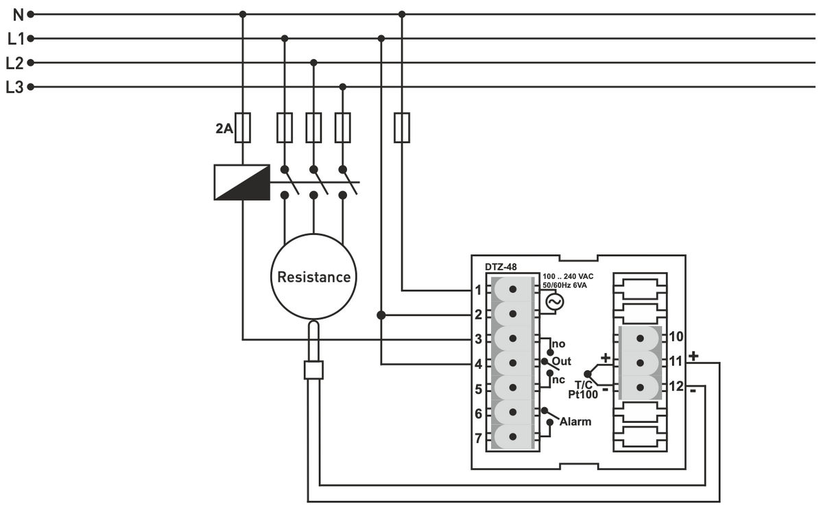
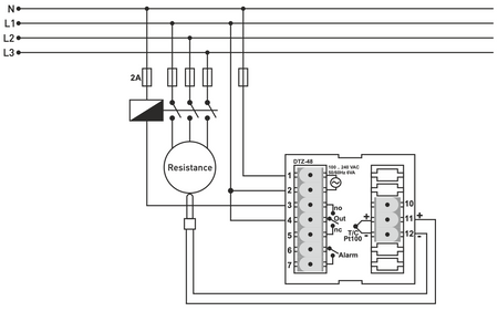
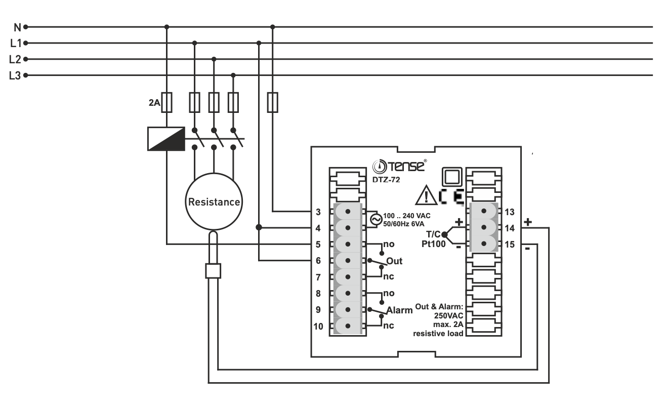
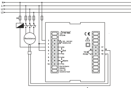
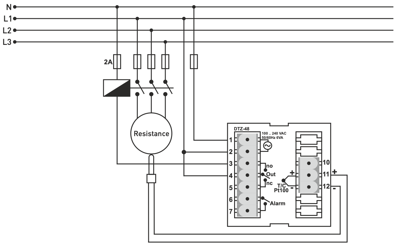
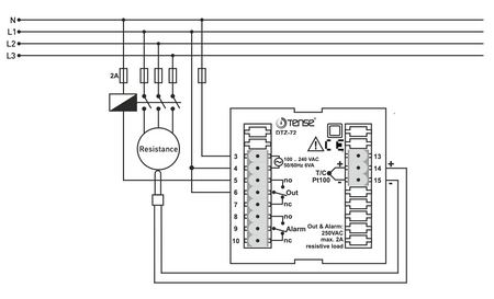
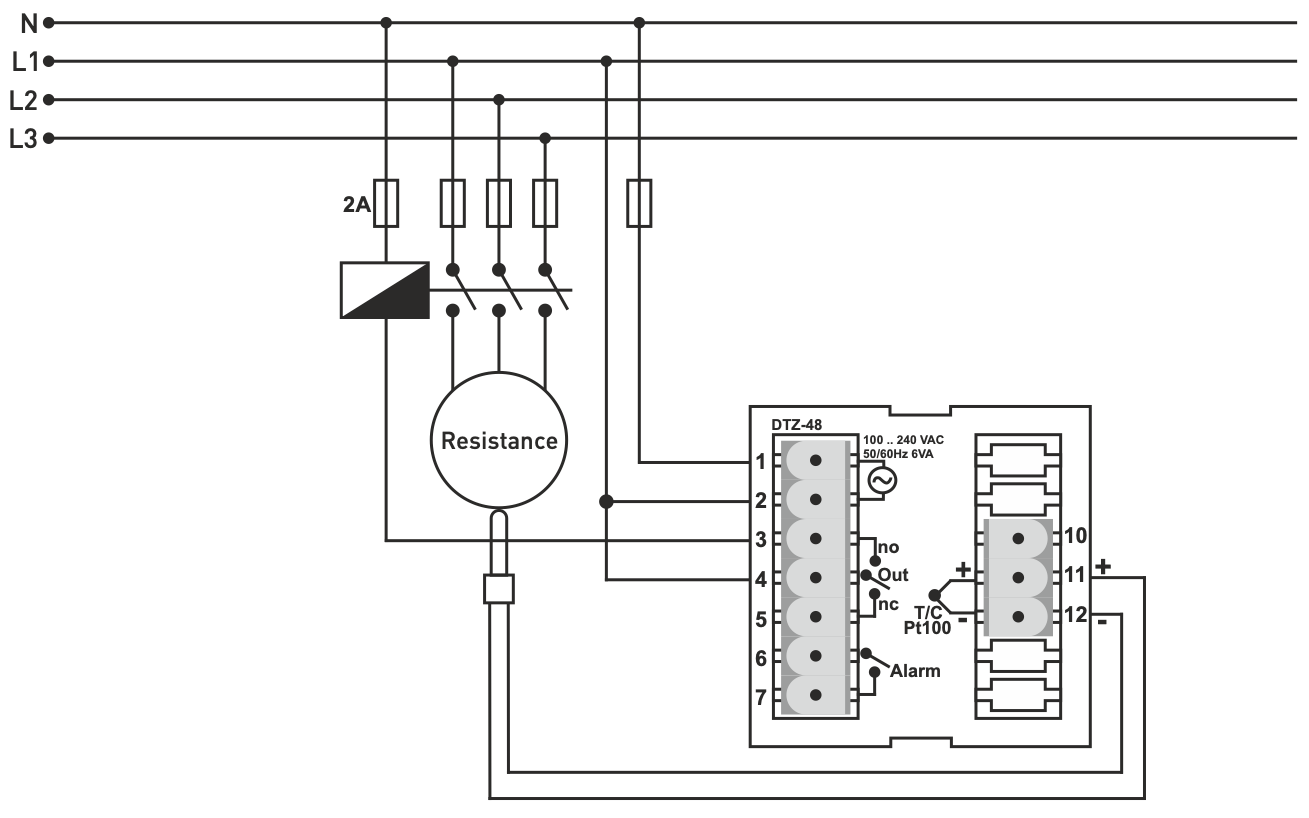
Regulator de temperatură PID pentru montare pe panou cu temporizator încorporat, domeniu de măsurare -100°C ... +1750°C, rezoluție / pas 0,1ºC (fabricat în Turcia, TENSE)
Controlul și monitorizarea proceselor termice ale sistemelor de încălzire, aer condiționat și ventilație, automatizarea clădirilor, instalații industriale.
Regulatorul de temperatură este implementat prin control on/off sau PID. Regulatorul oferă auto-optimizare, ceea ce împiedică depășirea valorilor de proces.
Reglarea automată a parametrilor PID
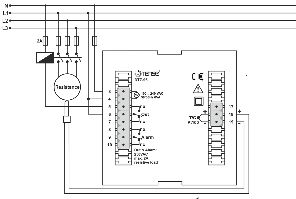
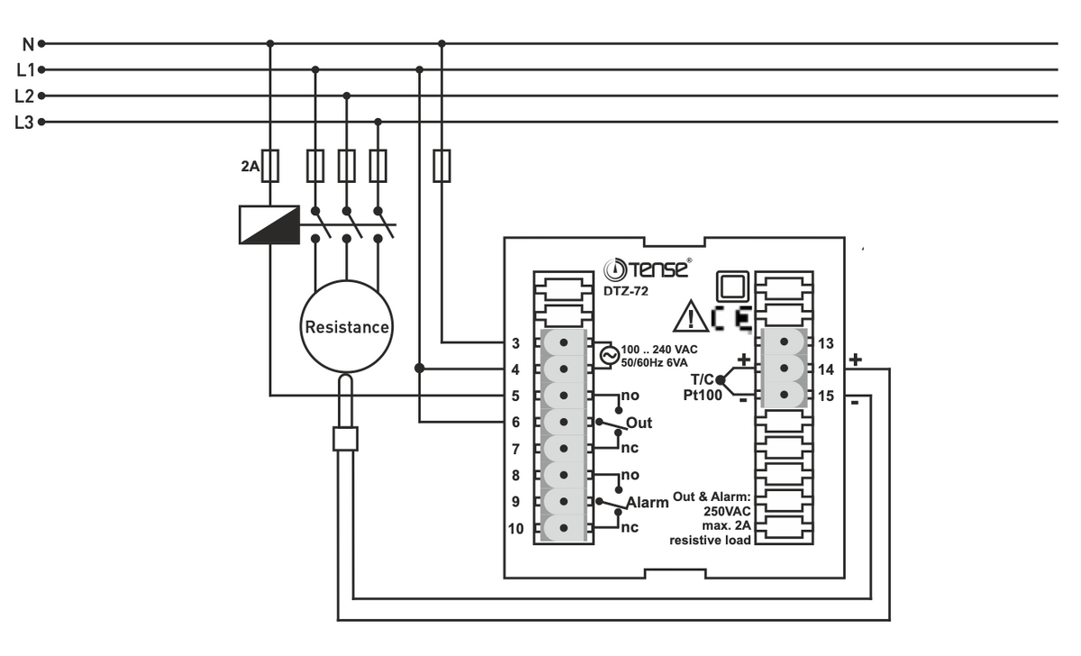
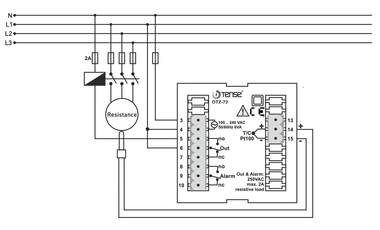
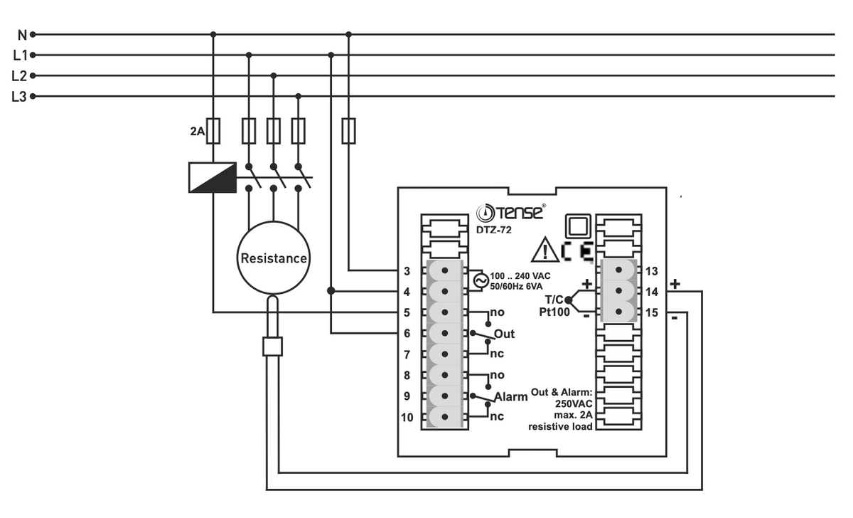
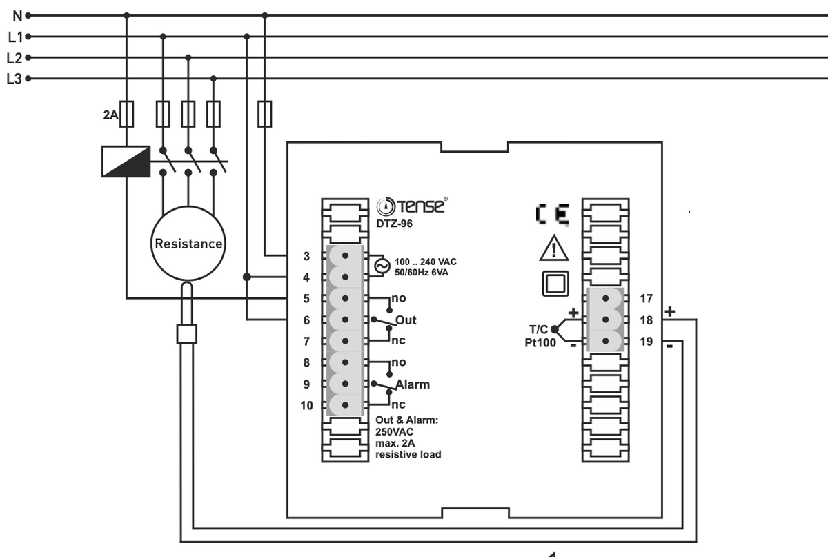
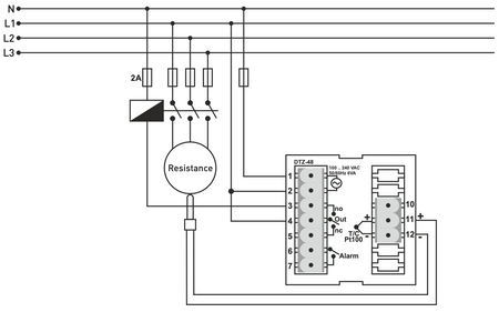
- Tip senzor: T/C (J,K,T,S,R), Pt100
- Tip de control selectabil: P, PI, PD, PID sau ON-OFF
Eliminarea automată a "overshoot-ului" în modul PID
- Anti-windup
Întârziere la pornire pentru OUT în modul răcire
Protecție prin parolă
Memorie EEPROM pentru salvarea setărilor
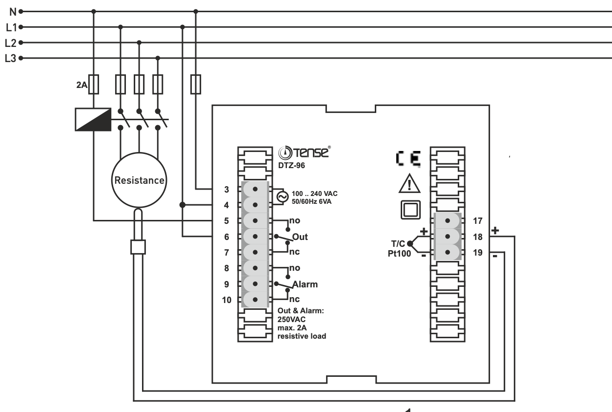
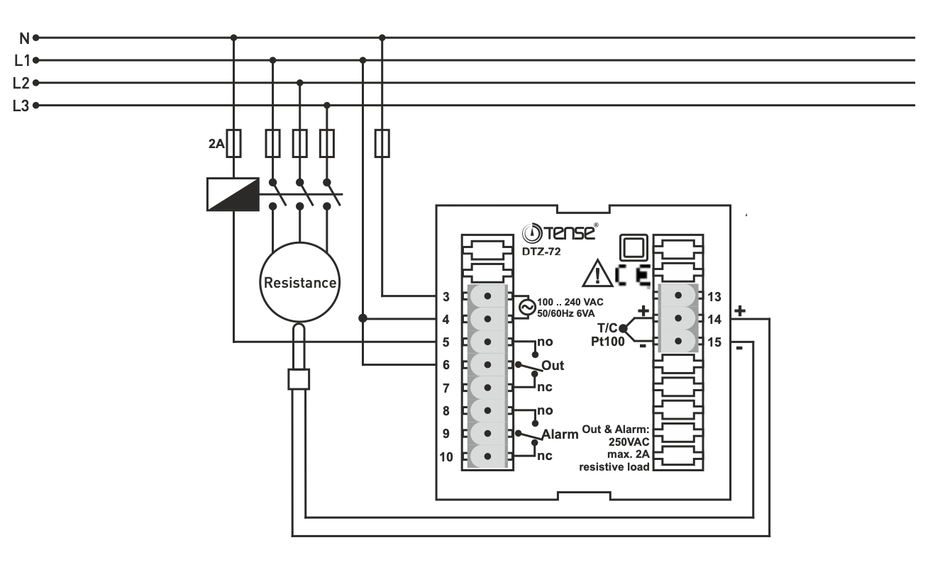
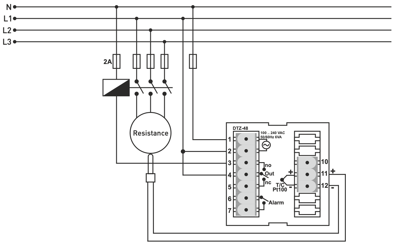
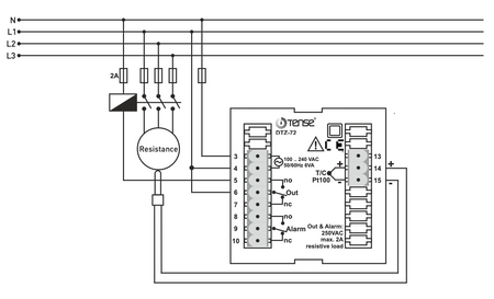
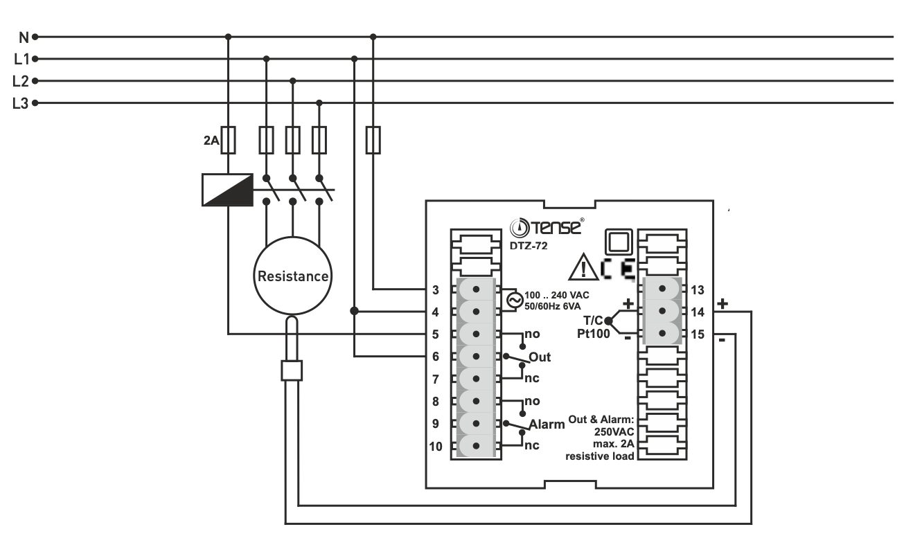
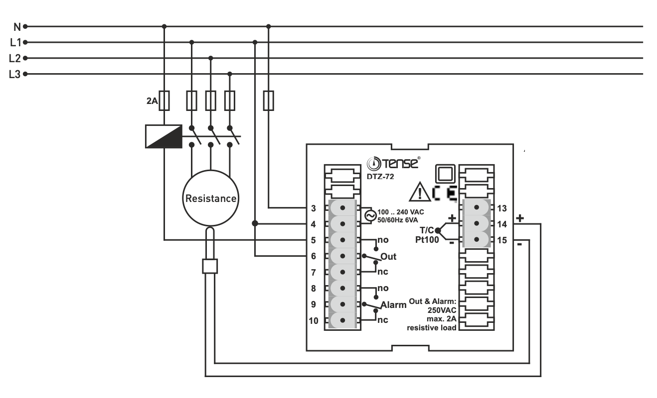
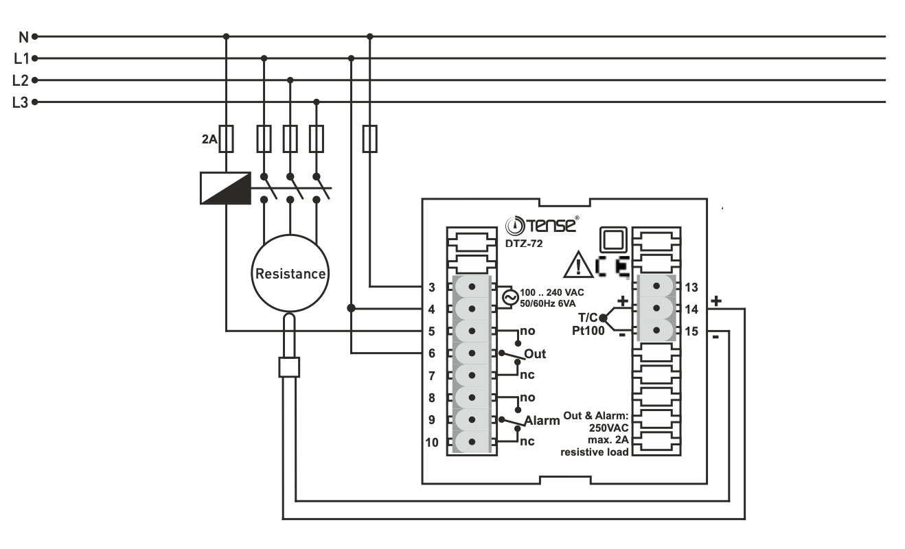
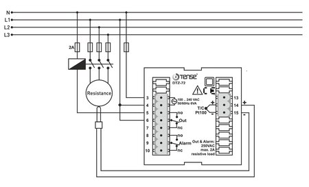
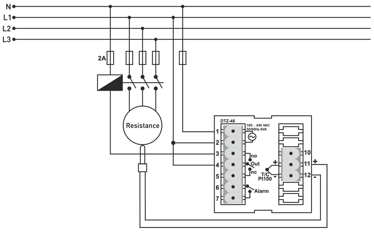
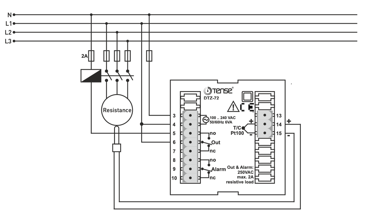
Ieșiri releu OUT și ALARM (NO+NC) 250VAC, 2A (ALARM ON numai pentru DTZ-48)
Intervalul de măsurare depinde de senzor și poate fi setat cu ajutorul butoanelor de pe regulatorul de temperatură.
Afișajul de la controlerul de temperatură este un afișaj cu contrast ridicat care poate fi citit cu acuratețe chiar și în condiții precare. În plus față de ieșirea de control, regulatorul de temperatură are un releu de alarmă suplimentar care închide contactul fără tensiune dacă valoarea este depășită sau nu este atinsă.
Vă rugăm să nu uitați să comandați senzorii noștri de temperatură - termocuplu tip J Fe-Const (metric 6/8) cu scala de măsurare a temperaturii: -100 °C - +600 °C. Poate fi cu cablu lung de 1 m, 1,5 m, 2 m, 2,5 m, 3 m, 4 m și 5 m
Descărcare pe
Online Payment by Card - after completing the order, you will be redirected to the payment gateway, and payment confirmation will be sent to you by email.
Refund - payment according to payment instructions will be made to the transport company driver.
By Bank Transfer - you will receive by email, no later than the next business day, a proforma invoice that will contain the account number to be used for payment.
On Invoice - this payment method is available to partners who have concluded a framework agreement with our company. If you want to use the last two payment methods, please contact our manager, who will provide you with instructions on how to obtain an invoice with or without VAT.
The electrical equipment we supply meets high quality standards, has a 24-month warranty and complies with all EU requirements.
We also offer free delivery for orders over 508 RON, and a flexible system of discounts and promotions. The technical knowledge and experience of our employees allow us to provide high-quality consulting and, if necessary, to offer alternatives for electrotechnical products.
The electrical equipment we provide meets high quality standards, has a 24-month warranty, and complies with all European Union requirements.
In the case of a complaint, the return of products is not charged.
