
Notified by email when this product becomes available
- Description
- Instructions
- Payment methods
- Warranty
TENSE MDK-02 controler monofazat pentru pompe submersibile de foraj, 140-280 V AC, 60 A
Descrierea produsului
Controlerul TENSE MDK-02 este proiectat pentru protecția și controlul pompelor submersibile pentru foraje și puțuri.
Acesta oferă protecție împotriva supratensiunii și supracurenților, lipsei de apă și suprasarcinii pompei.
Funcțiile încorporate permit, de asemenea, monitorizarea nivelului rezervorului, setările de temporizare și controlul curentului de supratensiune.
Caracteristici principale
-
Sursă de alimentare monofazată, interval: 140-280 VAC
-
Curent maxim: 60 A
-
Control prin microprocesor cu afișaj LED
-
Caracteristici de protecție:
-
Supratensiune/subtensiune
-
Supracurent/subcurent
-
Controlul nivelului apei din puț/cisternă
-
-
Setări ale parametrilor de funcționare: P1-P10 (de exemplu, tensiune maximă/minimă, curent, întârziere de răspuns, interval de pornire, timp de resetare automată)
-
Moduri de funcționare: START / STOP
-
Temporizator de întârziere a pompei încorporat pentru a prelungi durata de viață a pompei
-
Indicarea stării pompei prin intermediul indicatoarelor LED
Parametrii tehnici
-
Tensiune de funcționare: 140-280 V AC
-
Frecvență: 50 Hz
-
Interval de curent: 0,5-60 A
-
Consum de energie: < 4 W
-
Sensibilitate la lichid: < 50 kΩ
-
Clasa de protecție: IP40
-
Temperatura de funcționare: -5 °C până la +55 °C
-
Secțiunea max. a cablului: 1,5 mm²
-
Deschidere de instalare: 91 × 91 mm
-
Altitudinea de instalare: < 2000 m
-
Greutate: 325 g
Aplicație
-
Protecția pompelor submersibile împotriva funcționării în gol și supraîncărcării
-
Controlul nivelului apei în rezervoare și fântâni
-
Monitorizarea și funcționarea în siguranță a pompelor casnice și industriale
Observații importante
-
Electrozii / senzorii de nivel al apei nu sunt incluși - trebuie comandați separat
-
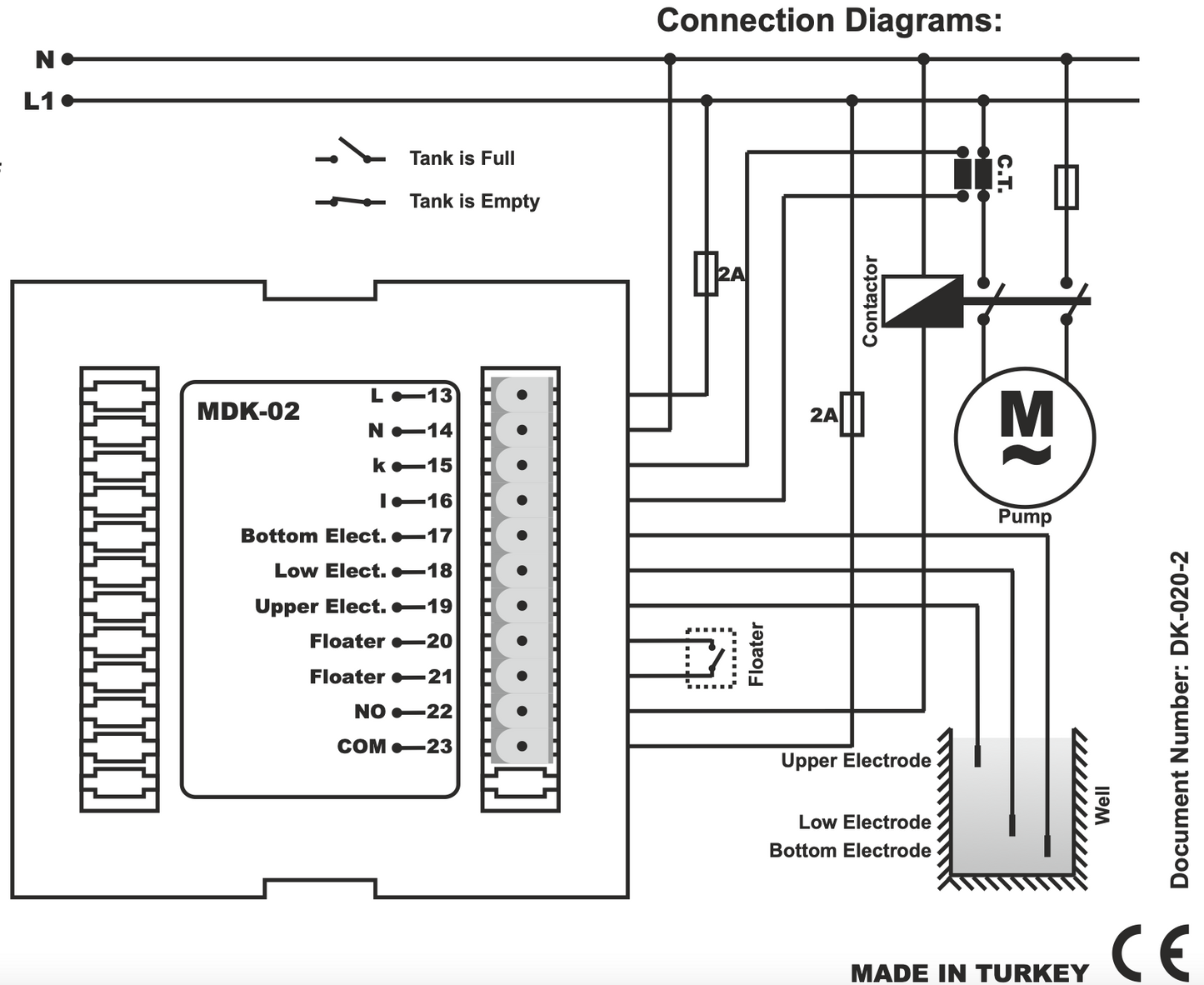
Controlerul trebuie să fie conectat în conformitate cu schema electrică a producătorului
-
Fluidul nu trebuie să fie inflamabil sau exploziv
-
Temperatura de instalare trebuie să fie > 0 °C
-
Pompa trebuie să fie legată la pământ
-
Utilizarea a doi senzori de nivel necesită conectarea corectă a senzorului superior și a celui central
Online Payment by Card - after completing the order, you will be redirected to the payment gateway, and payment confirmation will be sent to you by email.
Refund - payment according to payment instructions will be made to the transport company driver.
By Bank Transfer - you will receive by email, no later than the next business day, a proforma invoice that will contain the account number to be used for payment.
On Invoice - this payment method is available to partners who have concluded a framework agreement with our company. If you want to use the last two payment methods, please contact our manager, who will provide you with instructions on how to obtain an invoice with or without VAT.
The electrical equipment we supply meets high quality standards, has a 24-month warranty and complies with all EU requirements.
We also offer free delivery for orders over 508 RON, and a flexible system of discounts and promotions. The technical knowledge and experience of our employees allow us to provide high-quality consulting and, if necessary, to offer alternatives for electrotechnical products.
The electrical equipment we provide meets high quality standards, has a 24-month warranty, and complies with all European Union requirements.
In the case of a complaint, the return of products is not charged.
