
Notified by email when this product becomes available
- Description
- Instructions
- Payment methods
- Warranty
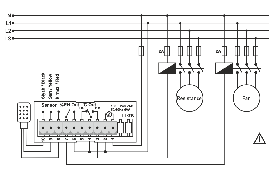
Releu digital de control al temperaturii și umidității. Scala de măsurare -19,9ºC ...+80ºC, 5 ... 95%RH (fabricat în Turcia, TENSE)
Controlul și monitorizarea proceselor de căldură și umiditate ale sistemelor de încălzire, aer condiționat și ventilație, automatizarea clădirilor, instalații industriale.
Controler de temperatură și umiditate bazat pe μP
- Histerezis
Memorie EEPROM pentru stocarea setărilor
Protecție prin parolă
Precizie ridicată
Ieșire ºC - Releu (NO + NC), 250VAC, 2A, sarcină rezistivă
%RH Ieșire - Releu (NO), 250VAC, 2A, sarcină rezistivă
"Offset" reglabil separat pentru măsurarea temperaturii și umidității
Temporizator reglabil înainte de pornirea OUT pentru funcția de răcire
Mod de control ON-OFF
Online Payment by Card - after completing the order, you will be redirected to the payment gateway, and payment confirmation will be sent to you by email.
Refund - payment according to payment instructions will be made to the transport company driver.
By Bank Transfer - you will receive by email, no later than the next business day, a proforma invoice that will contain the account number to be used for payment.
On Invoice - this payment method is available to partners who have concluded a framework agreement with our company. If you want to use the last two payment methods, please contact our manager, who will provide you with instructions on how to obtain an invoice with or without VAT.
The electrical equipment we supply meets high quality standards, has a 24-month warranty and complies with all EU requirements.
We also offer free delivery for orders over 508 RON, and a flexible system of discounts and promotions. The technical knowledge and experience of our employees allow us to provide high-quality consulting and, if necessary, to offer alternatives for electrotechnical products.
The electrical equipment we provide meets high quality standards, has a 24-month warranty, and complies with all European Union requirements.
In the case of a complaint, the return of products is not charged.
