Notified by email when this product becomes available
Pre-order product
- Description
- Payment methods
- Warranty
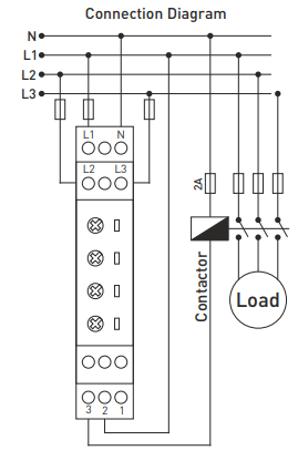
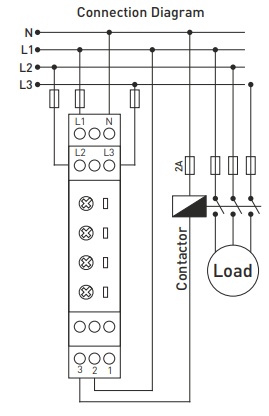
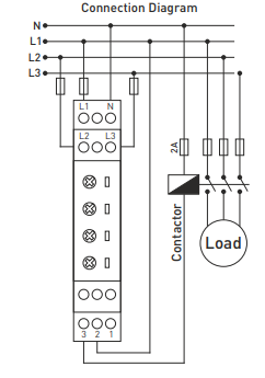
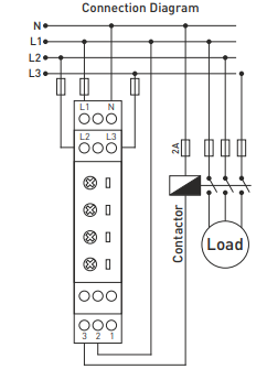
Releu de monitorizare a tensiunii cu temporizare pentru revenirea la starea de funcționare, monitorizarea creșterii și scăderii tensiunii, stabilirea valorii minime și maxime a tensiunii, cu control al secvenței fazelor GKV-12F, TENSE
Algoritmul de funcționare al releului de monitorizare a tensiunii este după cum urmează:
Când releul este conectat la tensiunea de alimentare și valorile tensiunii corespund valorilor setate, releul este activat și LED-ul releului () se aprinde. Când valorile tensiunii depășesc valorile setate, LED-ul de eroare corespunzător se aprinde, așteaptă un timp de întârziere (DT), după care releul este dezactivat și LED-ul releului se stinge. Când tensiunea revine la valorile normale, dispozitivul așteaptă un timp de resetare (RT), după care releul este activat și LED-ul releului se aprinde.
Setări necesare și mesaje de eroare
-
HV: setare de înaltă tensiune, atunci când tensiunea crește peste această valoare, LED-ul HV se aprinde.
-
LV: setarea de joasă tensiune, atunci când tensiunea scade sub această valoare, LED-ul LV se aprinde.
-
DT: timp de întârziere, timpul de așteptare înainte de introducerea erorii.
-
RT: timp de resetare, timpul de așteptare înainte ca releul să răspundă atunci când tensiunea revine la normal.
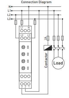
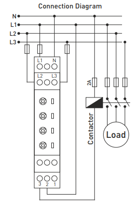
Releu activat: contactele 2 și 3 închise, 1 și 2 deschise.
Releu dezactivat: contactele 2 și 1 închise, 3 și 2 deschise.
Specificații tehnice
-
Tensiune de funcționare: 3×380 VAC, 50/60 Hz
-
Tensiune nominală de funcționare: 220 VAC, 50/60 Hz
-
Tensiune înaltă: 230 V-300 V
-
Tensiune joasă: 140 V-210 V
-
Timp de întârziere: 0,1 s - 20 s
-
Timp de resetare: 0,1 s - 20 s
-
Putere de funcționare: < 6 VA
-
Temperatura de funcționare: -20 °C până la +55 °C
-
Afișaj: 4 LED-uri
-
Greutate: 0,210 kg
-
Contact: 5 A / 250 VAC (sarcină rezistivă)
-
Altitudine de funcționare: < 2000 m
-
Diametrul cablului: 1,5 mm²
Online Payment by Card - after completing the order, you will be redirected to the payment gateway, and payment confirmation will be sent to you by email.
Refund - payment according to payment instructions will be made to the transport company driver.
By Bank Transfer - you will receive by email, no later than the next business day, a proforma invoice that will contain the account number to be used for payment.
On Invoice - this payment method is available to partners who have concluded a framework agreement with our company. If you want to use the last two payment methods, please contact our manager, who will provide you with instructions on how to obtain an invoice with or without VAT.
The electrical equipment we supply meets high quality standards, has a 24-month warranty and complies with all EU requirements.
We also offer free delivery for orders over 508 RON, and a flexible system of discounts and promotions. The technical knowledge and experience of our employees allow us to provide high-quality consulting and, if necessary, to offer alternatives for electrotechnical products.
The electrical equipment we provide meets high quality standards, has a 24-month warranty, and complies with all European Union requirements.
In the case of a complaint, the return of products is not charged.
