
Notified by email when this product becomes available
Pre-order product
- Description
- Instructions
- Payment methods
- Warranty
12-step power factor regulator + TCR with 2.9" graphic LCD display and RS-485 (TENSE)
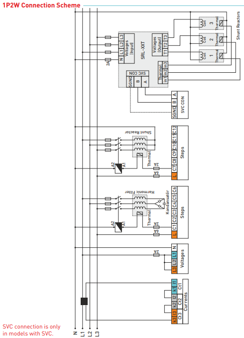
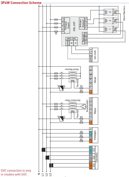
The RGT-12SVC (TENSE) reactive power regulator is a fully automatic device for optimal switching of compensation steps.
Digital processing of the measured values by the regulator ensures high accuracy in evaluating the effective voltage, current and power factor.
The device setup is fully automatic - the controller itself determines the size of the individual compensation steps connected. These parameters can also be entered directly manually.
The controller switches the compensation stages on and off so that the reactive power is regulated with a minimum number of switching operations. At the same time, the controller takes into account the uniform loading of the individual stages and preferentially switches those stages that have been de-energized for the longest time and for which the residual load is minimal. During the regulation process, the compensation stages are continuously monitored in parallel - faults and changes in values are detected, the temporarily removed stages are periodically tested and, if necessary, are re-introduced into the regulation process.
Generator input and generator compensation
Start, discharge and decantation times can be set
Remote communication with RS485 (RS485 ModBus RTU)
Single-phase, two-phase and three-phase capacitors and shunt reactors can be connected
Harmonic voltage and current can be observed up to 31 harmonics
Total energy (import/export) can be monitored
The THD-V and THD-I values of each phase can be observed
Creating power analysis (20 samples 9999 min.) - for capacitor selection
Online Payment by Card - after completing the order, you will be redirected to the payment gateway, and payment confirmation will be sent to you by email.
Refund - payment according to payment instructions will be made to the transport company driver.
By Bank Transfer - you will receive by email, no later than the next business day, a proforma invoice that will contain the account number to be used for payment.
On Invoice - this payment method is available to partners who have concluded a framework agreement with our company. If you want to use the last two payment methods, please contact our manager, who will provide you with instructions on how to obtain an invoice with or without VAT.
The electrical equipment we supply meets high quality standards, has a 24-month warranty and complies with all EU requirements.
We also offer free delivery for orders over 508 RON, and a flexible system of discounts and promotions. The technical knowledge and experience of our employees allow us to provide high-quality consulting and, if necessary, to offer alternatives for electrotechnical products.
The electrical equipment we provide meets high quality standards, has a 24-month warranty, and complies with all European Union requirements.
In the case of a complaint, the return of products is not charged.
