
Notified by email when this product becomes available
- Description
- Instructions
- Payment methods
- Warranty
Relee temporizate ERD-96 ERD-48, ERD-72 - TENSE
Temporizator cu întârziere / releu de impulsuri ciclice / generator de impulsuri simetrice și asimetrice
Releul temporizator ERD-96 ERD-48, ERD-72 este proiectat pentru a crea o întârziere sau pentru a genera impulsuri ciclice pentru a controla diverse procese în sistemele de automatizare și control (ACS).
Este potrivit în special pentru utilizarea în:
-
sisteme AC,
-
controlul piscinelor și al tehnologiei,
-
sisteme de urgență și de securitate,
-
automatizarea generală și controlul secvențial al instalațiilor.
Caracteristici principale
-
Două funcții de bază
-
Temporizator cu întârziere
-
Releu ciclic (generator de impulsuri - impulsuri simetrice/asimetrice)
-
-
Interval larg de timp:
0,1 s până la 999 minute -
Indicarea numărătorii inverse a timpului - afișare digitală a timpului rămas (timp de răcire)
-
Conectare simplă prin intermediul blocului terminal
-
Potrivit pentru utilizare universală în rețele de curent alternativ 100...240 V
Specificații tehnice
Parametrii mecanici și de afișare
-
Afișaj: afișaj LED cu 3 cifre și 7 segmente
Funcții
-
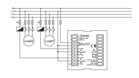
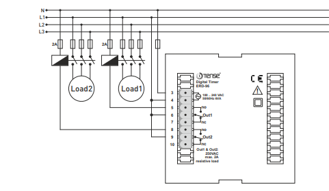
Ieșire imediată după pornire (Out2)
-
Ieșire întârziată după pornire (Out1)
Intrări
-
Intrare START: contactele 11-12
-
100...240 V CA, 50/60 Hz
-
Consum max. 3 mA
Temporizare
-
-
Gamă:
-
99,9 s
-
999 s
-
99,9 min
-
999 min
(opțional)
-
-
Rezoluție:
-
0,1 s / 1 s / 0,1 min / 1 min
-
-
Precizie: ±1,5% din valoarea setată
Ieșiri
-
Out1 - Ieșire întârziată:
-
Releu NO-O-NC
-
250 V CA, 2 A (sarcină rezistivă)
-
-
Ieșire2 - Ieșire imediată:
-
Releu NO-O
-
250 V CA, 2 A (sarcină rezistivă)
-
Alimentare
-
Tensiune de alimentare: 100...240 V CA, 50/60 Hz
-
Consum de energie: < 5 VA
Condiții de mediu
-
Temperatura de funcționare: -20 °C până la +55 °C
-
Altitudine de funcționare: până la 2000 m
Descărcare pe
Online Payment by Card - after completing the order, you will be redirected to the payment gateway, and payment confirmation will be sent to you by email.
Refund - payment according to payment instructions will be made to the transport company driver.
By Bank Transfer - you will receive by email, no later than the next business day, a proforma invoice that will contain the account number to be used for payment.
On Invoice - this payment method is available to partners who have concluded a framework agreement with our company. If you want to use the last two payment methods, please contact our manager, who will provide you with instructions on how to obtain an invoice with or without VAT.
The electrical equipment we supply meets high quality standards, has a 24-month warranty and complies with all EU requirements.
We also offer free delivery for orders over 508 RON, and a flexible system of discounts and promotions. The technical knowledge and experience of our employees allow us to provide high-quality consulting and, if necessary, to offer alternatives for electrotechnical products.
The electrical equipment we provide meets high quality standards, has a 24-month warranty, and complies with all European Union requirements.
In the case of a complaint, the return of products is not charged.
