
Notified by email when this product becomes available
- Description
- Instructions
- Payment methods
- Warranty
Transformator de curent de măsurare TK40 - TENSE
Descrierea produsului:
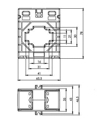
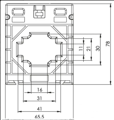
Fereastra de măsurare a transformatorului de curent TK40 este proiectată pentru măsurarea indirectă a curentului alternativ în instalații de joasă tensiune și aplicații industriale. Transformatorul convertește curentul primar ridicat în curent secundar standard adecvat pentru măsurarea, controlul sau protecția echipamentelor.
Caracteristici:
-
Conversie de curent de precizie cu o clasă de precizie de 0,5S
-
Carcasă compactă și durabilă realizată din ABS neinflamabil, ignifug
-
Bloc terminal cu capac nedemontabil, adecvat pentru conductoare de calibru mare
-
Rezistență la curentul de scurtcircuit: Ith = 60 × In
-
Rezistența la curent constant: Id = 1 × In
-
Temperatura de funcționare: -25 °C ... +85 °C
-
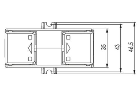
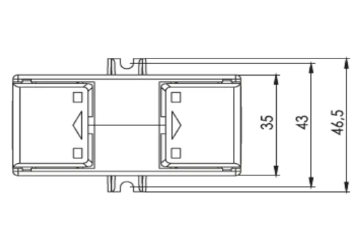
Montare: KK0001 sau KK0002
-
Tensiune de încercare: 3 kV timp de 1 minut
-
Tensiunea maximă a sistemului: 0,72 kV
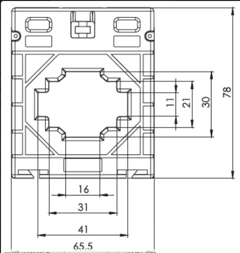
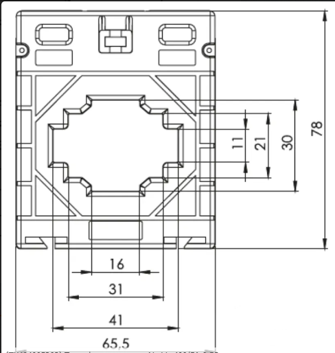
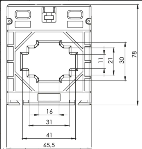
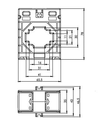
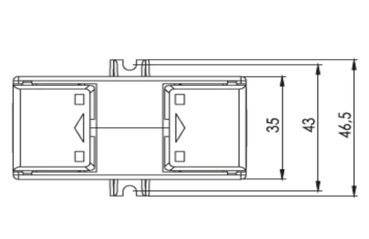
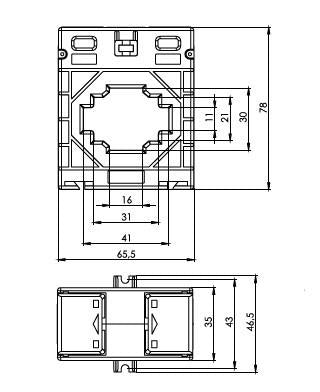
Parametrii tehnici
| Parametru | Valoare |
|---|---|
| Variante disponibile | 300/5, 400/5, 500/5, 600/5, 800/5 |
| Capacitate de încărcare | 3,75 VA |
| Clasa de acuratețe | 0,5S |
| Înfășurare primară | 40 × 10 mm |
| Orificiu interior (diametrul conductorului) | Ø 30 mm |
| Frecvența nominală | 50-60 Hz |
| Limitarea curentului de impact | FS 5 |
| Instalare | KK0001 / KK0002 |
| Material carcasă | ABS ignifug, neinflamabil |
Standarde:
IEC 60044-1, IEC 61869-2, VDE 0414-1, DIN 57414, BS3938, BS7626, EN 61869-2
Controlul calității:
Fiecare transformator este testat individual în fabrică, rezultatele sunt înregistrate într-un raport de testare și atașate la transformator.
Descărcare pe
Informații tehnice privind transformatoarele de curent (996 kB) - a se trimite la cerere
Online Payment by Card - after completing the order, you will be redirected to the payment gateway, and payment confirmation will be sent to you by email.
Refund - payment according to payment instructions will be made to the transport company driver.
By Bank Transfer - you will receive by email, no later than the next business day, a proforma invoice that will contain the account number to be used for payment.
On Invoice - this payment method is available to partners who have concluded a framework agreement with our company. If you want to use the last two payment methods, please contact our manager, who will provide you with instructions on how to obtain an invoice with or without VAT.
The electrical equipment we supply meets high quality standards, has a 24-month warranty and complies with all EU requirements.
We also offer free delivery for orders over 508 RON, and a flexible system of discounts and promotions. The technical knowledge and experience of our employees allow us to provide high-quality consulting and, if necessary, to offer alternatives for electrotechnical products.
The electrical equipment we provide meets high quality standards, has a 24-month warranty, and complies with all European Union requirements.
In the case of a complaint, the return of products is not charged.
